EasyManua.ls Logo

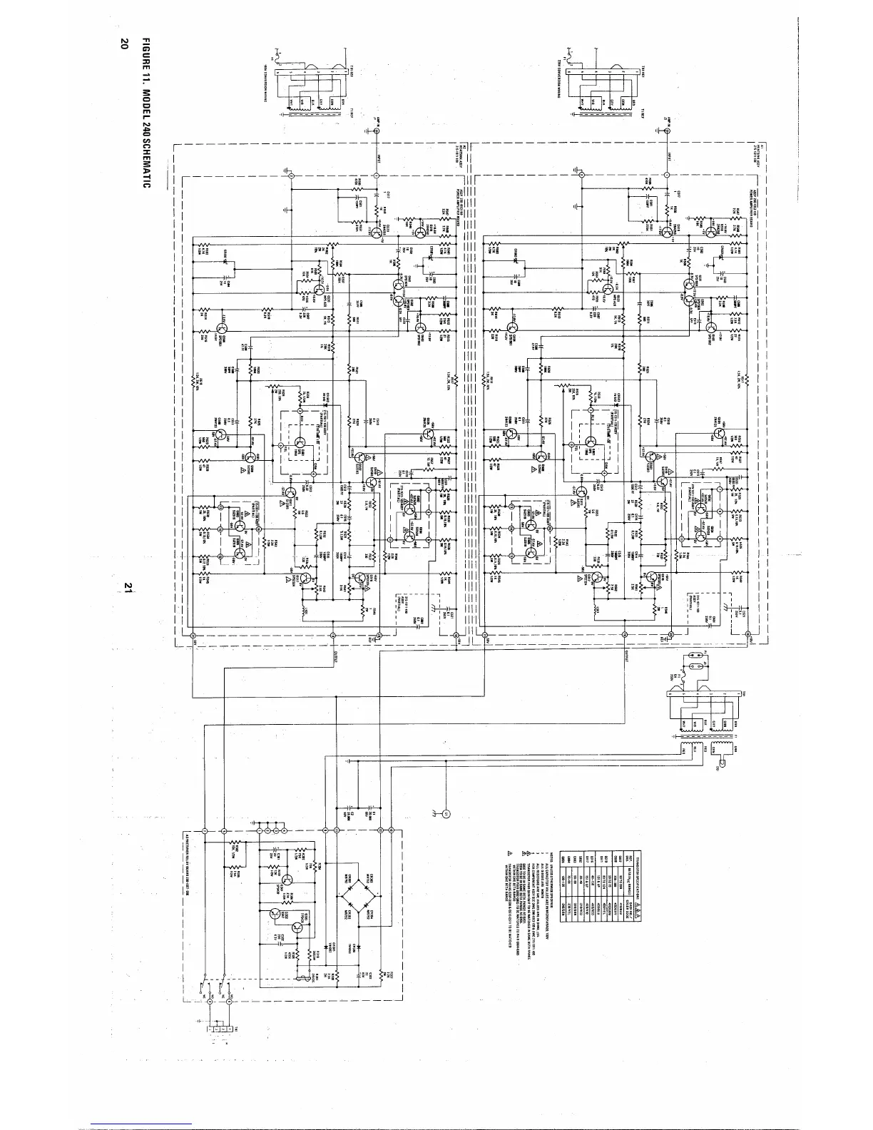
Marantz 240 - Schematic Diagram

Marantz 240
28 pages
Print Icon
To Next Page IconTo Next Page
To Next Page IconTo Next Page
To Previous Page IconTo Previous Page
To Previous Page IconTo Previous Page
Loading...

Related product manuals