EasyManua.ls Logo

Marantz 250 - Page 25

Marantz 250
27 pages
Print Icon
To Next Page IconTo Next Page
To Next Page IconTo Next Page
To Previous Page IconTo Previous Page
To Previous Page IconTo Previous Page
Loading...
š
3
Baines
on
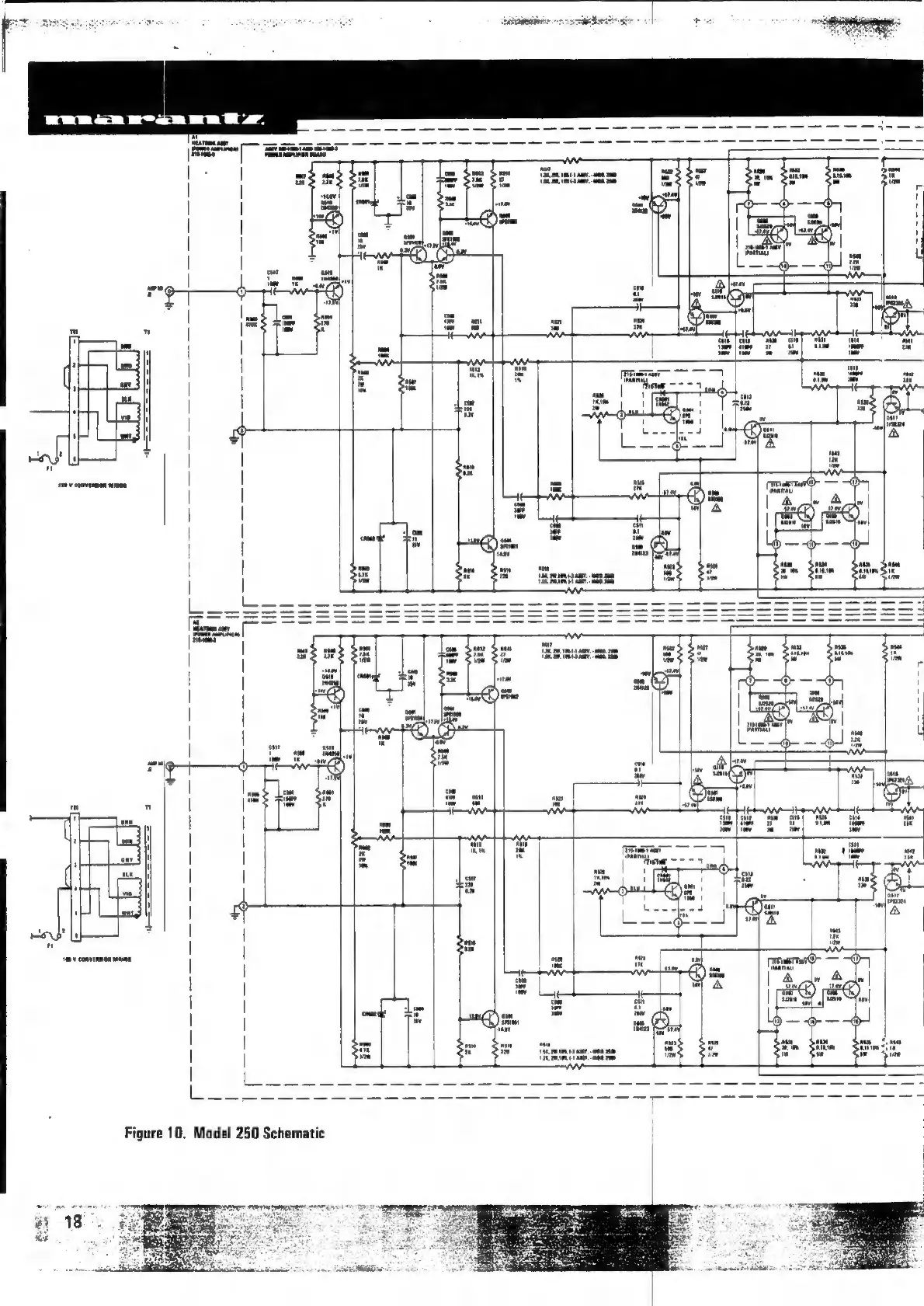
Figure
10.
Model
250
Schematic

Related product manuals