EasyManua.ls Logo

Marantz 3600 - Page 7

Marantz 3600
30 pages
Print Icon
To Next Page IconTo Next Page
To Next Page IconTo Next Page
To Previous Page IconTo Previous Page
To Previous Page IconTo Previous Page
Loading...
IN
SELECTOR
OUT
0201
ACTIVE
FILTER
NETWORK
TONE
CONTROL
/
TURNOVER
NETWORK
PHONO
IN
(5
°
MIC
INO
=
TUNER
IN
Ce
AUX
IN
a
TAPE
1
IN
(05
O
TAPE
2
IN
(5
Y
DUB
IN
u201
0211
u203
r °
1
30
Hz
9KHz
BKHz
=
FILTER
FILTER
FILTER
CIRCUIT CIRCUIT
CIRCUIT
PHONO
=
EQUALIZATION
FEEDBACK
MIC
CIRCUIT
EQUALIZATION
TREBLE
LEFT
BOOST
TONE
CUT
si}
°
a
fo)
TAPE
1
OUT
a.
°
Me
Fo)
TAPE
2
OUT
OUT
FILTERS
IN
TURNOVER
FILTER
:
DUB
OUT
SPEAKER
FROM
R
CHAN
>
—A,
SWITCHING
4
4
&
a.
.
fanaa
=
INPUTS
=
;
4
KHz
250Hz
O
TAPE
SOURCE
4
MONITOR
OUT
TURNOVER
IN
2
+ +
o
(0)
score
ouT
O
O
L L
1
=
=
.
MAIN
7
IN
O
SPEAKERS
TO
R
CHAN
o
9
BALANCE
@;
O
R
R
|]
+ +
a
4
O
O
i
'
=
FROM
R
CHAN
:
+
i
L
a
-
}
Y
VOLUME
REMOTE
TO
R
CHAN
'
SPEAKERS
TIME
L+Ro
sl
-
-
DELAY
STEREO
REVERSE
©
'
O)
CIRCUIT
'
O
STEREOO
Q
'
:
.
!
+18V
RGLTD
Ro
ee
'
LOUDNESS
Lo
Xs
a
CONTOUR
‘YZ
CIRCUIT
Te
PHONES
PFREAMP
OUT
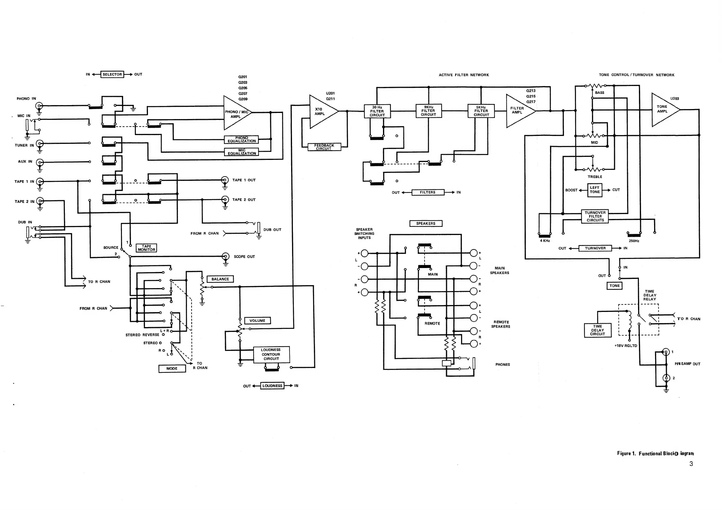
Figure
1.
Functional
BlockD
iagram
3

Related product manuals