EasyManua.ls Logo

Marantz 74 CD38/o1B - Page 23

Marantz 74 CD38/o1B
38 pages
Print Icon
To Next Page IconTo Next Page
To Next Page IconTo Next Page
To Previous Page IconTo Previous Page
To Previous Page IconTo Previous Page
Loading...
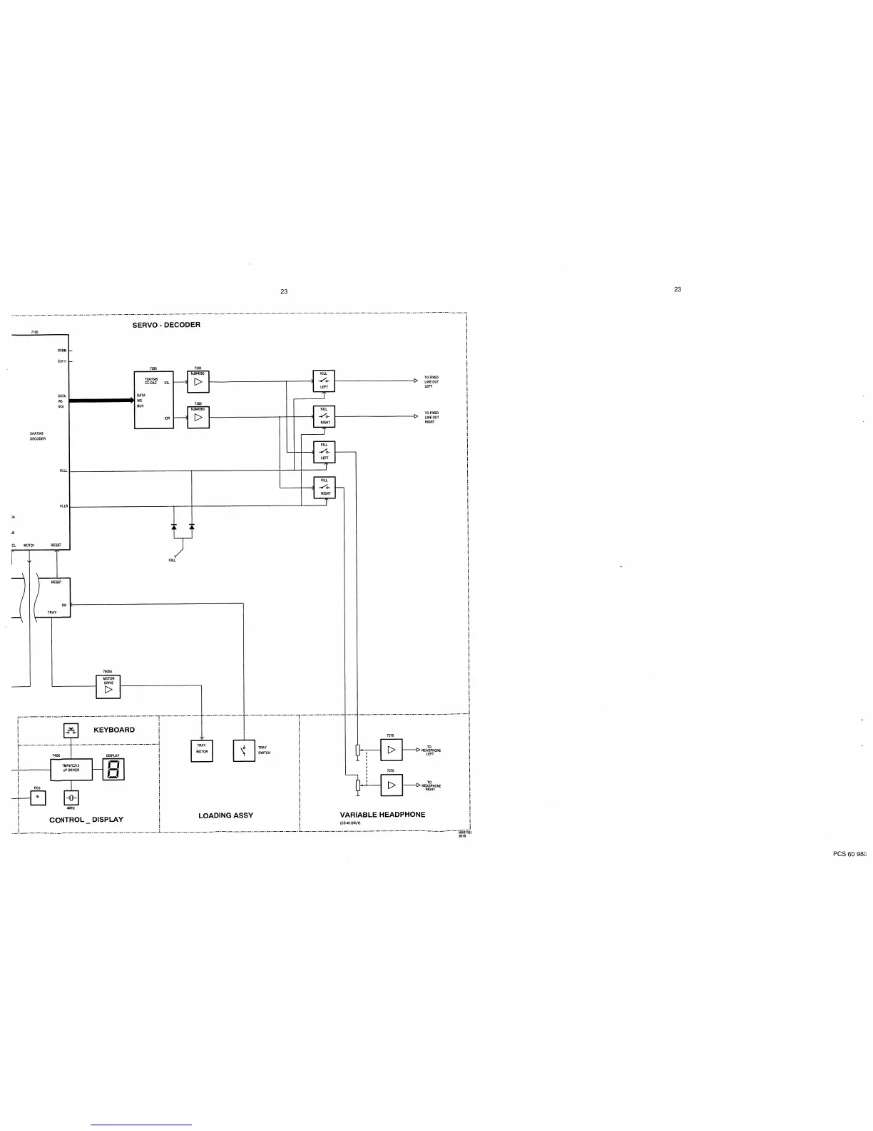
SERVO
-
DECODER
HAS1161
9510
PCS
60
980

Related product manuals