EasyManua.ls Logo

Marantz 74 CD38/o1B - Block Diagram

Marantz 74 CD38/o1B
38 pages
Print Icon
To Next Page IconTo Next Page
To Next Page IconTo Next Page
To Previous Page IconTo Previous Page
To Previous Page IconTo Previous Page
Loading...
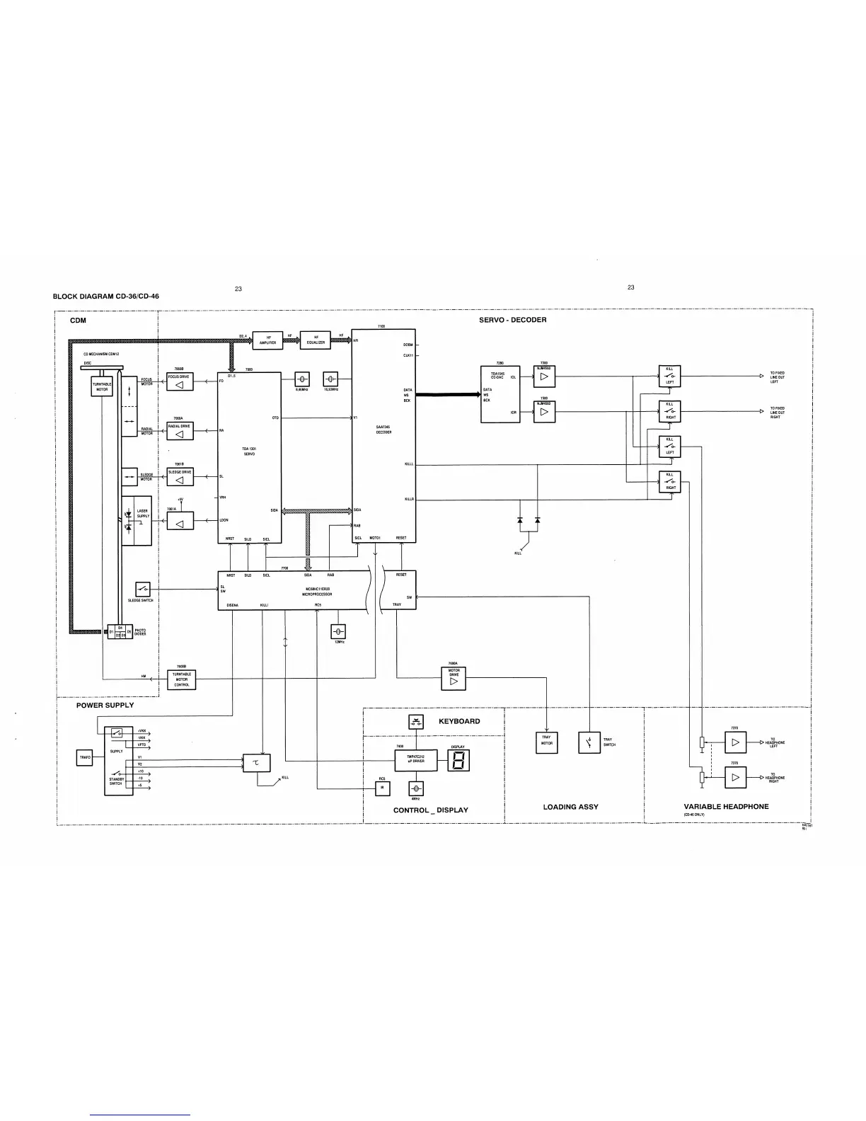
BLOCK
DIAGRAM
CD-36/CD-46
23
23
CDM
CD
MECHANISM
CDM12
DISC
TURNTABLE
MOTOR
i
i
j
7060B
j
FOCUS DRIVE
FOCUS
i
.
MOTOR
j
^
<1
i
i
i
i
i
7060A
RADIAL
DRIVE
RADIAL
!
.
MOTOR
1
^
1
<
1
i
i
i
j
7061
B
SLEDGE
DRIVE
1
SLEDGE
!
.
1
MOTOR
1
^
<]
USER
SUPPLY
"T
SLEDGE
SWITCH
BD1
PHOTO
DIODES
7600B
TURNTABLE
MOTOR
CONTROL
POWER
SUPPLY
STANDBY
SWITCH
HF
HF
AMPLIFIER
EQUALIZER
TDA1301
SERVO
NRST
SILD
SICL
—7K
7T
hQh
8,
46MHz 16,
93MHz
^/////////^^^
i
DOBM
CLK11
DATA
WS
BCK
SAA7345
DECODER
SIDA
^RAB
SICL
M0T01
RESET
’T"
NRST
SILD
SICL
SIDA
RAB
MC68HC11ER20
MICROPROCESSOR
RC5
hDh
TMP47C212
uP
DRIVER
SERVO
-
DECODER
TDA1545
CC-DAC
lOL
DATA
WS
BCK
lOR
MOTOR
DRIVE
>
KEYBOARD
o
u
CONTROL
DISPLAY
[>
TRAY
MOTOR
1
TRAY
SWITCH
LOADING ASSY
T
T
KILL
RIGHT
T"
TO FIXED
LINE
OUT
LEFT
TO FIXED
”l>
LINE OUT
RIGHT
7370
>
1
i
1
1
1
1
7370
i
>
t
J
TO
->
HEADPHONE
LEFT
TO
-C>
HEADPHONE
RIGHT
VARIABLE HEADPHONE
(CD-46 ONLY)
Hflinei
9511

Related product manuals