EasyManua.ls Logo

Marantz 74 CD38/o1B - Page 35

Marantz 74 CD38/o1B
38 pages
Print Icon
To Next Page IconTo Next Page
To Next Page IconTo Next Page
To Previous Page IconTo Previous Page
To Previous Page IconTo Previous Page
Loading...
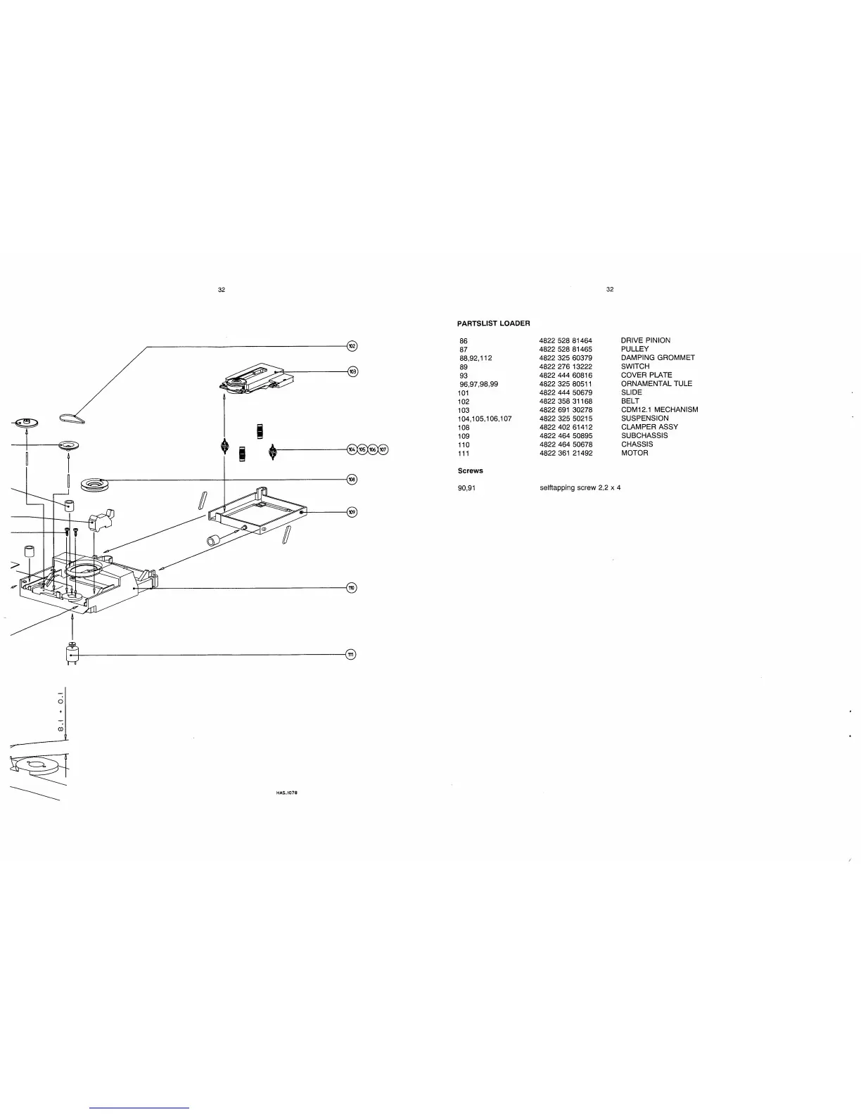
PARTSLIST
LOADER
86
4822
528
81464
DRIVE PINION
87
4822
528 81465
PULLEY
88,92,112
4822
325 60379
DAMPING GROMMET
89
4822 276 13222
SWITCH
93
4822
444
60816
COVER
PLATE
96,97,98,99
4822
325
8051
1
ORNAMENTAL
TULE
101
4822
444
50679
SLIDE
102
4822
358
31168
BELT
103
4822
691 30278
CDM12.1
MECHANISM
104,105,106,107
4822
325 50215
SUSPENSION
108
4822 402 61412
CLAMPER ASSY
109
4822
464
50895
SUBCHASSIS
110
4822
464 50678
CHASSIS
111
4822
361
21492
MOTOR
Screws
90,91
selftapping
screw
2,2
x 4

Related product manuals