EasyManua.ls Logo

Marantz AV9000 - Page 12

Marantz AV9000
49 pages
Print Icon
To Next Page IconTo Next Page
To Next Page IconTo Next Page
To Previous Page IconTo Previous Page
To Previous Page IconTo Previous Page
Loading...
17 18
12345 12345
1234512345
1
2
3
4
1
2
3
4
1
2
3
4
1
2
3
4
3
1
2
4
5
1
2
4
5
3
1
2
3
4
5
1
2
3
4
5
6
7
8
9
10
1
2
3
4
5
6
7
8
9
10
10
1
23
4
56789
1
234
5
678910
1234
NJM2068DD
5678
1234
5678
NJM4556
1234
5
1
234
CC01
CC03
CC02
CC04
CC07
CC08
RC07
RC08
CC36
CC35
RC20
CC40
CC39
CC47
CC48
RC33
QC07
QC06
CC31
CC32
CC33
CC34
QF02
QF04
CF04
CF05
CF06
CF07
CF08
CF09
CF10
CF12
CF13
CF14
CF15
CF16
RF07
RF08
RF09
RF10
RF12
RF13
RF14
RF15
RF16
RF17
RF18
CF19
CF20
CF21
CF22
CF23
CF24
CF25
CF26
CF27 CF28
CF29
CF30
CF31
CF32
RF25
RF26
RF27
RF28
RF29
RF31
RF32
RF33
RF34
RF35
RF36
CF33
CF34
CF37
CF38
QV02
QV03
QV04
QV05
CV01
JC01
JC02
JC03
JC04
DV05
DV06
DV07
DV08
JC05
QM01
QM02
DM01
RM03
RM04
RM06
RM05
RM08
RM07
QM04
QM05
QM03
QM06
RM09
DM02
DM03
DM04
QV01
CV02
QF03
QF01
QC01
RC05
RC06
RC17
RC25
RC26
CC41
CC42
CG51
CG52
RC27
RC28
RC29
RC30
RC31
RC32
RF02
RF01
RF19
RF42
RF41
QC03
QC02
QC04
QC05
CG53
CG54
CG55
CG56
RV01RV02
RV03
RV04
RV05
RV06
RV11
RC35
RC36
RC37
RC38
RM23
RM24
RM27
RM28
RM29
RM31
RM33
RM39
RM37
RM30
RM32
RM34
RM38
RM40
QM29
QM30
DM21
DM22
CM24
CM27
CM28
QM21
QM23
QM25
QM27
QM22
QM24
QM26
QM28
CM25
CM26
QV10
QV09
QV12
QV11
QV08
QV07
QV06
RF48
RF49
DF01
DF02
CM31 CM32CM23
DV12
DV11
DV10
DV09
JC07
JC08
JM22JM21
DM05
RM02
RM01
CF35
CF36
CF39
CF40
RF20
JM01
RC09
RC10
RC12
RC13
QG51 QG52 QG53
RC51
RC52
RC54
RC59
RC60
RC61
RC62
RF43
RC71
RC72
RC77
RC78
RC79
RC80
QC71
CC79
CC81
CC82
RG52
RG51
RG53
RG54
CG63
CG64
CG65
CG66
RC53
CC60
CC62
CC71
CC72
CC77
CC78
RF44
CC51
CC52
CC57
CC58
CC61
CM29
CM30
CC23
CC24
CC25
CC26
JC06
CC18
RV10
RV09
RV08
RV07
RF21
RF23
RF30
RF22
RF04
RF06
CC59
RC42
RC41
RC40
RC39
RC14
QC51
CC80
RF03
RF11
RF05
CF03
CF11
RF24
JW01
JW02
CW01
CW02
CW03
JW53
LW51
DW51
QW51
WW53
WW54
WW51
CW51
CW52
RW51
RW52
RW53
RW54
CW53
CW54
RW57
RW58
CW57
CW58
RW63
RW64
RW65
QW53
QW52
DW52
DW53
RW66
RW69
CW59
CW60
JW51
WW01
QC72
QW54
JW55
JW54
RW68
DW54
DW55
RW56
RW55
RC21
RC22
RC23
RC24
RC55
RC56
RC57
RC58
CC55
CC56
RM21
RM22
RM26
RM25
RC11
RV12
CV03
DV13
CM21
CM22
RF37
RF38
RG59
RG60
CG59
CG70
CG61
CG69
CG67
RG55
RG56
QG54 QG55
CC43
CC44
CC29
CC30
CC54
CC53
CC74
CC73
RC82
RC75
RC81
CC75
CC76
RC76
RC74
RC73
CG68
CG60
CG62
CW04
RW59
RW60
CC17
RC18
RC19
CC16
CC14
CC15
RC15
RC16
RC03
RC04
RC01
RC02
CF17
CF18
RF46
RF45
RF39
RF40
CF01
CF02
DF03
DF04
CW55
CW56
CC27
CC28
CC89
CC90
CC91
CC92
WW52
0.1
0.1
0.1
0.1
10/50V
10/50V
100K
100K
0.01
0.01
100K
0.01
0.01
0.01
0.01
100K
TC9215P
LC78213
100/16V
100/16V
0.01
0.01
TC9184AP
TC9184AP
27P CH
10/50V
10/50V
0.068
0.068
0.012
0.012
2700P
0.022
0.022
10/50V
10/50V
39K
39K
560K
560K
27K
5.6K
5.6K
1K
1K
82K
82K
27P
CH
27P
CH
10/50V
10/50V
0.068
0.068
0.012
0.012
2700P 2700P
0.022
0.022
10/50V
10/50V
39K
39K
560K
560K
27K
5.6K
5.6K
1K
1K
82K
82K
100/16V
100/16V
100/16V
100/16V
DTA114ES
/ETC
DTA114ES
/ETC
DTA114ES
/ETC
DTA114ES
/ETC
0.01
*
*
*
*
2SK369
BL
2SK369
BL
*
100
560
33K
560
150
150
2SA970
2SA970
2SC2240
2SC2240
2.2K
*
*
*
NJU3713D
0.01
NJM2068DDNJM2068DD
NJM2068DD
22K
22K
18K
1K
1K
0.01
0.01
10/50V
10/50V
3.3K
3.3K
1K
1K
3.3K
3.3K
100K
100K
3.3K
220
220
NJM2068DD
NJM2068DD
NJM2068DD
NJM2068DD
10/50V
10/50V
10/50V
10/50V
4.7k4.7k
4.7k
4.7k
4.7k
4.7k
1k
1K
1K
1K
1K
330
330
15K
15K
15K
22
22
470
27K
15K
22
22
27K
470
*
*
0.01
22PF
500V
22PF
500V
2SA970
2SC2240
2SC2705
O/Y
2SA1145
O/Y
2SA970
2SC2240
2SC2705
O/Y
2SA1145
O/Y
330P
330P
2SC2878
A/B
2SC2878
A/B
2SC2878
A/B
2SC2878
A/B
2SC2878
A/B
2SC2878
A/B
DTC114ES
/ETC
10K
10K
100/16V 100/16V0.01
*
180
180
0.01
0.01
0.01
0.01
3.3K
10K
10K
10K
10K
TC9459F TC9459F TC9459F
1K
1K
100K
47K
47K
470
470
470
100K
100K
47K
47K
220
220
NJM2068DD
100/16V
100/16V
0.01
100K
100K
100K
100K
10/50V
10/50V
10/50V
10/50V
100K
100/16V
0.01
10/50V
10/50V
10/50V
10/50V
470
10/50V
10/50V
10/50V
10/50V
0.01
10/50V
10/50V
10/50V
10/50V
10/50V
10/50V
10/50V
1M
1M
1M
1M
470K
4.7K
27K
470K
470K
4.7K
100/16V
47
47
47
47
18K
0.01
470K
27K
4.7K
27P
CH
2700P
4.7K
0.01
0.01
0.01
1/50V
1/50V
10K
10K
220K
220K
4.7/50V
4.7/50V
220K
220K
220/16V
220/16V
10 1/4W
10 1/4W
150
1/4W
DTA114ES
/ETC
2SA1837
*
1D3
68K 1/4W
22K
1/4W
47/16V
10/16V
TC9215P
DTA114ES
/ETC
10K
47K
47K
47K
47K
47K
47K
5.6K
5.6K
27K
27K
82P CH
82P CH
560
560
4.7K
4.7K
12K
100
100p
22/16V
22/16V
0
0
0
0
100/
16V
100/
16V
0.01
100/16V
0.01
0
0
NJM2068M NJM2068M
2.7K
2.7K
2.7K
1000P
1000P
2.7K
220
220
0.1
100/16V
100/16V
68
68
0.18
18K
0
0.039
0.12
0.15
18K
0
22K
22K
0
0
22/16V
22/16V
47K
47K
560
560
22/16V
22/16V
220/16V
220/16V
47P
N, S ONLY
47P
N, S ONLY
470P
470P
470P
470P
+15V
-15V
15V
-15V
-15V
-15V
15V
-15V
15V
15V
-15V
+15V
-15V
+5VL
-15V
+15V
TUN-RTUN-L
+5VL
+15V
-15V
-15V
15V
-15V
15V
+15V
-15V
+15V
-15V
-15V
+15V
-15V
+15V
CLK0
DATA 0
CLK0
DATA 0
CLK0
DATA 0
CLK1
DATA 0
CE0
CE0
CLK0
DATA 0
CE4
DATA 0
CLK0
CE4
CE4
CE4
CE7
CLK01
CE4
DATA 0
CLK01
DATA 0
CE3
*
*
*
*
1234
5678
(RTO)
1234
5678
+-
+-
1234
5678
+-
+-
FL
FL
FR
C
2
1
3
4
5
6
7
8
9
10
(RCR)
1234
5678
+-
+-
12345678
9
10111213141516
VSSGND
VDD
FL
FR
GND
GND
12345678
910111213141516
1234
5678
12345678
910111213141516
VEE
CE
DI
CL VSS
S
RES
VDD
123456789101112131415
161718192021222324252627282930
FRNT
SW
CNT
SURR
123456789101112
131415
161718192021222324
CS1
CS2VDD
VSS CLK
DATA
STB
L
R
FRONT
SURROUND
STB STB
DATA DATA
CKCK
123456789
10111213141516
STB DATACK
TAPE
VCR
MULTI
VDD
VSS
FL
GND
FR
GND
CENT
GND
SL
SR
SWF
PRE-OUT
CNT
+15V
-15V
+15V
-15V
-15V
+15V
TONE-IN-SWF
TONE-IN-CNT
SOURCE-OUT-R
TONE-OUT-FR
TONE-IN-FL
TONE-IN-CNT
SOURCE-OUT-R
TONE-OUT-FL
TONE-OUT-CNT
TONE-OUT-SWF
TONE-IN-SWF
SOURCE-OUT-L
FR
SL
SR
C
LFE
SW
FL
SOURCE-OUT-L
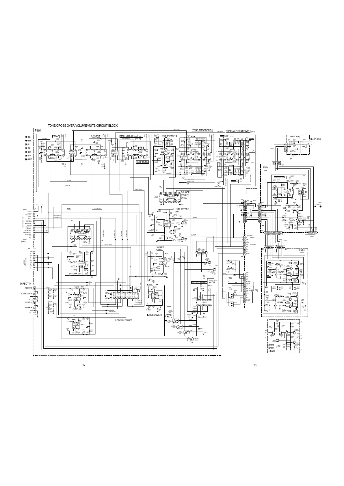
P104
TONE/CROSS OVER/VOLUME/MUTE CIRCUIT BLOCK
TONE AMP(FRONT)
TONE-AMP(CENT/SWF)
CNT/SWF
MUTE CONTROL
COMMON BUS
5
6
7
8
9
10
12
13
14
15
16
11
1
2
3
4
5
6
7
8
1
2
3
4
5
6
7
8
9
MUTE
FROM COMMON BUS2
9
10
12
13
14
15
16
11
GND
SURR-L-OUT
SUBWOOFER
SURR.-L
SURR.-R
CENTER
DIRECT-IN
S-DIR
S-DIR
VOL-IN-SUBWFR
VOL-IN-FR VOL-IN-SURR-R
VOL-IN-SURR-L
VOL-IN-CENT
VOL-IN-FL
TO JL07(PL04)
+15V
-15V
CLK0
DATA 0
+5V(LIVE)
CE2
CE6(P.EXP)
TUNER-L
TUNER-R
L(OUT)
R(OUT)
MULTI-MUTE
TAPE-MUTE
VCR-MUTE
CE0(ANA.SW)
GND(AUDIO)
GND(SUPL)
MUTE-RELAY
SYNC DET1
SYNC DET2
CE1
OSD-1
OSD-2
CE7(P.EXP)
14.1
0
0
1
2
3
4
5
6
+
-
14.1
0
0
1
2
3
4
5
6
+
-
+
-
3
+B
+OUT
4
-OUT
5
-B
6
2
1
HDAM
HDAM
HDAM
P5 P6 P7 P8 P9 P10 P11 P12
P1P2P3P4 CLR
1718
1234
5678
SOURCE
(FRONT)
DIRECT
L
R
1
2
3
4
6CH-D
SURR-R-OUT
ANA
LFE
HPF 80Hz
L+R MIX
LPF 80Hz
FR
1234
5678
+-
+-
FL
FR
1234
5678
+-
+-
FL
FR
0dB
0dB
SWF
MASTER & CH.LEVEL
SW/LFE
(RVR)
(RMT)
CDR-MUT
+15dB BUFFER
10
RELAY
VOL-IN-FR
CDR-MUT
S-DIR
ANA/DIG
+5VV
N.C
SWF
LS
RS
FROM J601(P604)
PM04
(RHD)
FRONT
+17dB BUFFER
L+R
1234
5678
123456789101112
131415
161718192021222324
CS1
CS2VDD
VSS CLK
DATA
STB
123456789101112
131415
161718192021222324
CS1
CS2VDD
VSS CLK
DATA
STB
1234
5678
QM29
QM30
12345678
9
10111213141516
VSSGND
VDD
(RBF)
TONE-IN-FR
SURR
SWF
CNT
FRONT
SURR-L
SURR-R
FL
FR
-15V
+15V
GND
FL
FR
-15V
GND
H.P.
PW04 (RHP)
(S)
(S)
(S)
PW54
OSD-INT
(WY62)
(W601)
(WL01)
(WL02)
(OUT)
(IN)
(OUT)
(IN)
5VL
RHA
FROM JY68(PY04)
WW55
MUTE
_LRG/SML
CE3(TONE/VOL)
N.C
N.C
-1.5dB
-1.5dB
+17dB
+17dB+17dB
+17dB
DIGITAL/_ANALOG
HEADPHONE AMP
CROSS OVER
N, S ONLY
N, S ONLY
N, S ONLY
N, S ONLY
-0.56dB
-1.36dB
-0.56dB
-1.36dB
HEADPHONE
DIRECT-IN / SOURCE
All manuals and user guides at all-guides.com

Other manuals for Marantz AV9000

Related product manuals