EasyManua.ls Logo

Marantz CC3000 - Page 25

Marantz CC3000
31 pages
Print Icon
To Next Page IconTo Next Page
To Next Page IconTo Next Page
To Previous Page IconTo Previous Page
To Previous Page IconTo Previous Page
Loading...
9-2 9-2
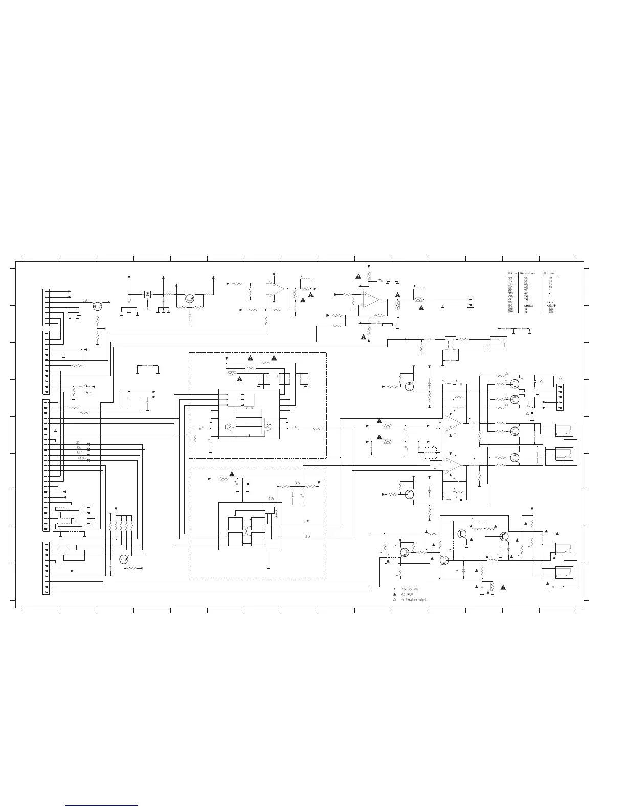
CIRCUIT DIAGRAM
SOURCES
CURRENT SINKS/
OUTPUT SWITCHES
DATA ENCODERS
NOISE SHAPERS
OVERSAMPLING
TIMING
AND
CONTROL
FILTER
FIR
REGISTER
FREQUENCY
RIGHT
VREF
REGISTER
CHANNEL
CONTROL
AND
TIMMING
DIVIDER
LEFT
CHANNEL
CdTraySw
-10V
CC-DAC
Load
(SCLK)
E
F
G
H
I
1830 A1
1831 B1
1832 H1
1833 H1
1834 G2
1835 A13
1836 C13
1837 D15
1838-A E15
1838-B E15
1839-A H15
1839-B H15
1843 D2
2331 C7
2333 C7
2335 C8
2880 A3
2881 A4
VAC1
CdTrayCtrl
VAC2
BCC-DAC
123456789101112131415
123
-10V
456
Kill2
7 8 9 101112131415
A
B
C
D
E
F
G
H
I
A
B
C
D
2882 B5
2883 D3
2884 F6
2885 F7
2886 G8
2887 G8
2888 D4
2889 C7
2890 C8
2891 C8
2892 C4
2893 E6
2894 E8
2895 E5
2896 E8
2897 E6
2898 E10
2899 E11
HP_R
S_GND
CD TEXT
2901 E11
2902 E11
2903 D12
2904 F12
2905 E13
2906 F13
2907 E14
2908 F14
2910 B8
2911 A10
2912 B11
2914 B12
2915 C12
2916 H15
2917 I15
2918 B14
2919 I13
2920 I3
2921 B14
2923 E12
2924 F12
2925 B10
2926 G12
2927 D12
2931 D14
2932 D14
3901 B2
CdPore
CdSicl
CdData
DACData
CdCarSw
VAC2
CdCarSw
3902 B2
3903 B5
3904 B5
3905 C2
3906 D2
3907 D2
3908 H3
3909 H3
3910 H3
3911 H3
3912 D2
3913 I3
3914 F6
3915 F8
3916 F8
3917 C6
3918 C7
3919 C7
3921 E5
3922 E8
RC5BusOut
(BITSTREAM)
CC4000
/CC4000OSE
D_GND
CdDisPosSw
Bitstream
S_GND
EBU
3923 E10
3924 E10
3925 D11
3926 G11
3927 C11
3928 F11
3929 D11
3930 G11
3931 D12
3932 G12
3933 E13
3934 F13
3935 E13
3936 F13
3937 E13
3938 F13
3939 C13
3940 D13
3941 D13
3942 D13
GND
EBU_GND
CdSicl
A_GND
VFTD
CdDisPosSw
CdData
3943 A6
3945 A7
3946 B7
3947 A8
3948 A8
3949 A9
3950 B9
3951 A9
3952 B9
3953 B10
3954 A10
3955 A11
3956 A11
3958 C11
3960 B12
3961 H10
3962 H11
3963 I11
3964 H11
3965 H12
3966 H12
3967 H13
CdSild
CdDisDetect
CarMotor
Tray Motor
CdSledgeSw
Digital Out
D_GND
3968 I13
3969 H13
3970 H13
3971 H14
3972 H14
3973 G14
3974 B7
3975 I13
3976 H3
3977 B10
3978 B7
4828 H2
5850 A4
5851 A6
5853 B12
5854 G12
5855 D12
6833 D11
6834 G11
6835 I13
6836 H14
7830 A2
7831 A4
-10V
(DQSY)
+10V
Load
+10V
VFTD
CdPore
7832 A5
7834 H3
7835 G6
7837 D11
7838 G11
7839 E14
7840 F14
7841 D14
7842 D14
7843-A F12
7843-B E12
7844-A A10
7844-B A7
7845 H11
7846 H12
7847 H13
7848 H14
7849 D6
9893 G2
9894 G2
D_GND
5CDC-MG-RW DAC/AF
KILL R
QuickPlay
KILL L
KILL
CdCarCtrl
CdSild
9895 G2
9902 A11
9904 A8
9907 E12
9919 H11
9920 H11
9923 H12
9924 G13
9930 H13
D_GND
ESIOUT
RC5BusIn
M_GND
(NON-BITSTREAM)
WS
QuickPlay
HP_L
BCK
+10V
VAC1
D_GND
CdSledgeSw
D_GND(SRDT)
ESIIN
digital out circuitry
+5B
2884
47u
GNDA
+10V
22n
2892
BC857B
7837
47u
2897
9930
7
8
9
EBU_GND
D
2K2
3937
D
L7805
7831
2
10K
3961
-10V
3R3
3918
GNDA
+5V
10K
3976
D
47u
2899
CarMotor
D
GNDA
4
3
3919
3R3
3940
1K
GNDA
+5V
D
47u
2896
M
3952
+10V
L
GNDA
2885
100n
D
GNDA
+5V
2888
470p
22R
3947
3934
22K
EBU_GND
D
-10V
KILL2
47K
3970
GNDA
M
2926
150p
GNDA
EVQ21
1843
-S
EH-B
1833
2887
47u
2
1
8
4
22K
3902
7839
BC817-25
10R
3960
1N4148
3974
12K
GNDA
GNDA
47u
2333
2905
100u
100u
2880
1
3
2
12K
3949
5853
7CHA
1
1K8
3963
3941
2K2
25
3
4
5
6
7
8
9
3912
470R
TDA1545A
7835
GNDA
3K9
3931
3978
7843-A
NJM4560D
3
D
3921
10K
560R
3904
100R
3972
100p
2920
D
+S
GNDA
+5V
9894
2908
220p
1
2
3
4
5
6
7
+10
2915
22n
6834
470p
2883
-10V
9919
EBU_GND
1K
3935
+5V
100u
2906
S
3930
220K
9924
3923
4R7
3906
22K
6833
1N4148
EBU_GND
47K
3966
CarMotor
3922
9920
D
10K
TCA0372
7844-B
6
5
3
2
4
BC817-25
7840
+10V
3913
10K
KILL_R
3954
2R2
+10
KILL_R
1835
XH-B
1
2
18K
3968
2331
47u
2K2
3942
7832
BC547B
S
7842
BC817-25
47K
3965
SXXB-XH
1830
2910
100n
+10V
M
+5B
3936
1K
BAT85
6836
3926
47K
12K
3951
10m
5854
2901
22n
KILL_L
3910
10K
KILL1
470p
2894
100n
2912
1831
1
10
11
12
2
3
4
5
6
1
10
2
3
4
5
6
7
8
9
EH-B
10
11
12
13
14
15
16
17
18
19
2
20
21
22
23
24
220p
2907
1832
1
+5V
3956
1R
2
34
6
78
220p
2903
-10
YKC21-3416
1836
+10
2904
220p
7846
BC847B
4K7
GNDA
+5V
-10
100R
3903
100n
2891
2886
100n
+5B
10n
2882
GNDA
+5V
D
BC817-25
7841
10K
3911
2895
47u
47p
2923
560R
3958
SL
GNDA
-S
2921
22n
3962
47K
L
2914
100n
5855
10m
2924
47p
15K
3916
1839-A
YKC21-3616
5
3909
10K
3971
10K
12K
3953
KILL2
3908
10K
+4V
+10V
12K
3946
4
3
S
KILL1
GNDA
BC847B
1838-A
YKC21-3440
5
100n
2917
7845
+4V
+5V
3950
12K
S
3917
3R3
TCA0372
7844-A
7
8
1
2
4
3955
22R
+5V
+5V
S
2335
D
3932
3K9
9904
47u
1 BCK
3 DATA
4
GND
6IOL
8IOR
7
IREF
5
VDD
2WS
+5V
47u
-10V
1K
SL
1N4148
6835
2916
L
2881
100u
S
DD
+4V
5850
2u2
2890
100n
3975
10R
47K
9893
KILL_L
GNDA
3969
L
220K
3929
7843-B
NJM4560D
5
6
7
8
4
+5V
3967
47K
KILL1
D
BC857B
7830
D
GNDA
GNDA
9923
2925
47u
100n
2918
4R7
3924
+10V
S
9902
150p
2927
3938
2K2
47u
2911
1834
EH-B
1
2
3
4
22n
3973
100R
47u
2902
GNDA
2919
470R
3907
3943
12K
BC847B
M
3927
10K
+S
22K
3933
7847
DD
2893
470p
4
VOR
7
VREF
8
VSSA
12
VSSD
14
VSSO
9
WS
1
3945
12K
7849
TDA1549T
BCK
2
DATA
16
FILTCL
5
FILTCR
6
NC
13
TEST
3
VDDA
11
VDDD
15
VDDO
10
VOL
-10V
4K7
3901
4828
D
S
2931
220p
220p
2932
1R
3948
18K
3915
2R2
3977
+5V
3914
3R3
3905
22K
-10
DD
9895
BC847B
GNDA
10K
3928
7848
BC857B
7834
D
5851
2u2
1839-B
YKC21-3616
5
2
1
47K
3925
47K
3964
22n
2898
9907
EBU_GND
D
7838
BC857B
GNDA
GNDA
1K
3939
D
1838-B
YKC21-3440
5
2
1
2889
100n
XH-B
1837
1
2
3
4
5
CC3000
CC4000
/CC4000OSE
CC3000

Other manuals for Marantz CC3000

Related product manuals