EasyManua.ls Logo

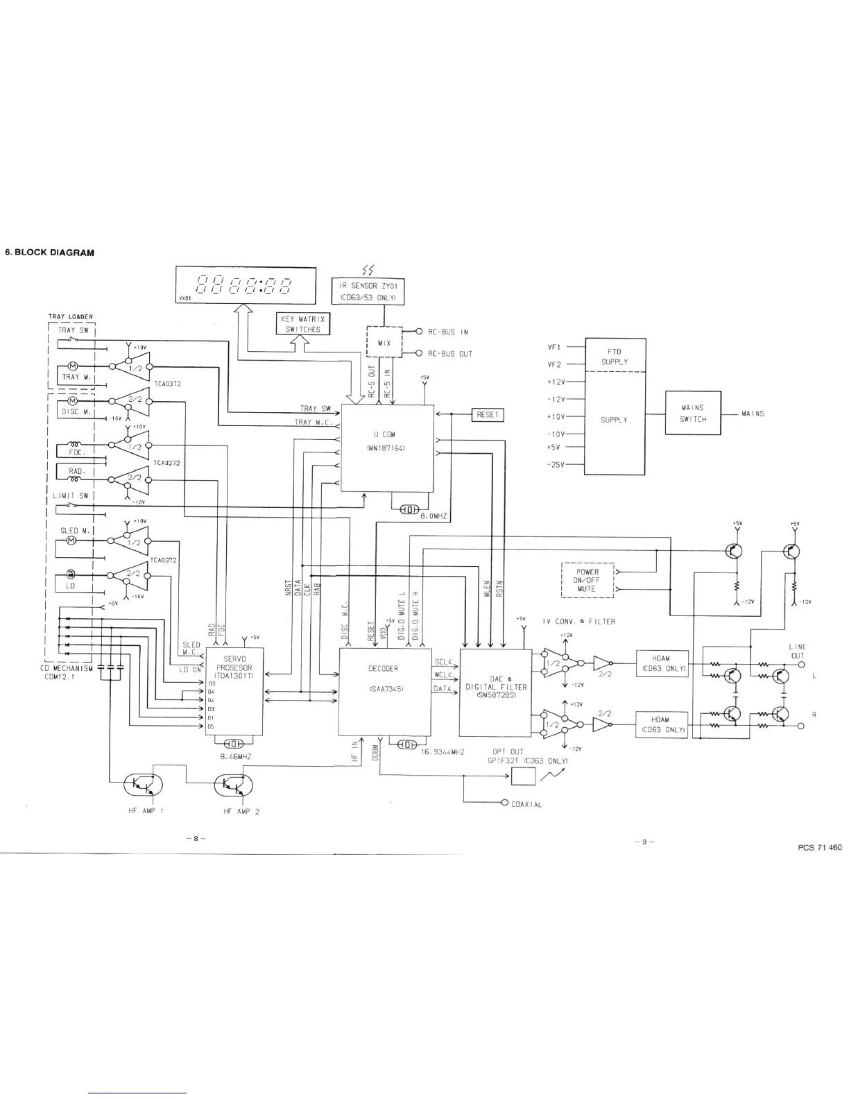
Marantz CD-43 - Block Diagram; Overall System Block Diagram

Marantz CD-43
20 pages
Print Icon
To Next Page IconTo Next Page
To Next Page IconTo Next Page
To Previous Page IconTo Previous Page
To Previous Page IconTo Previous Page
Loading...

Related product manuals