EasyManua.ls Logo

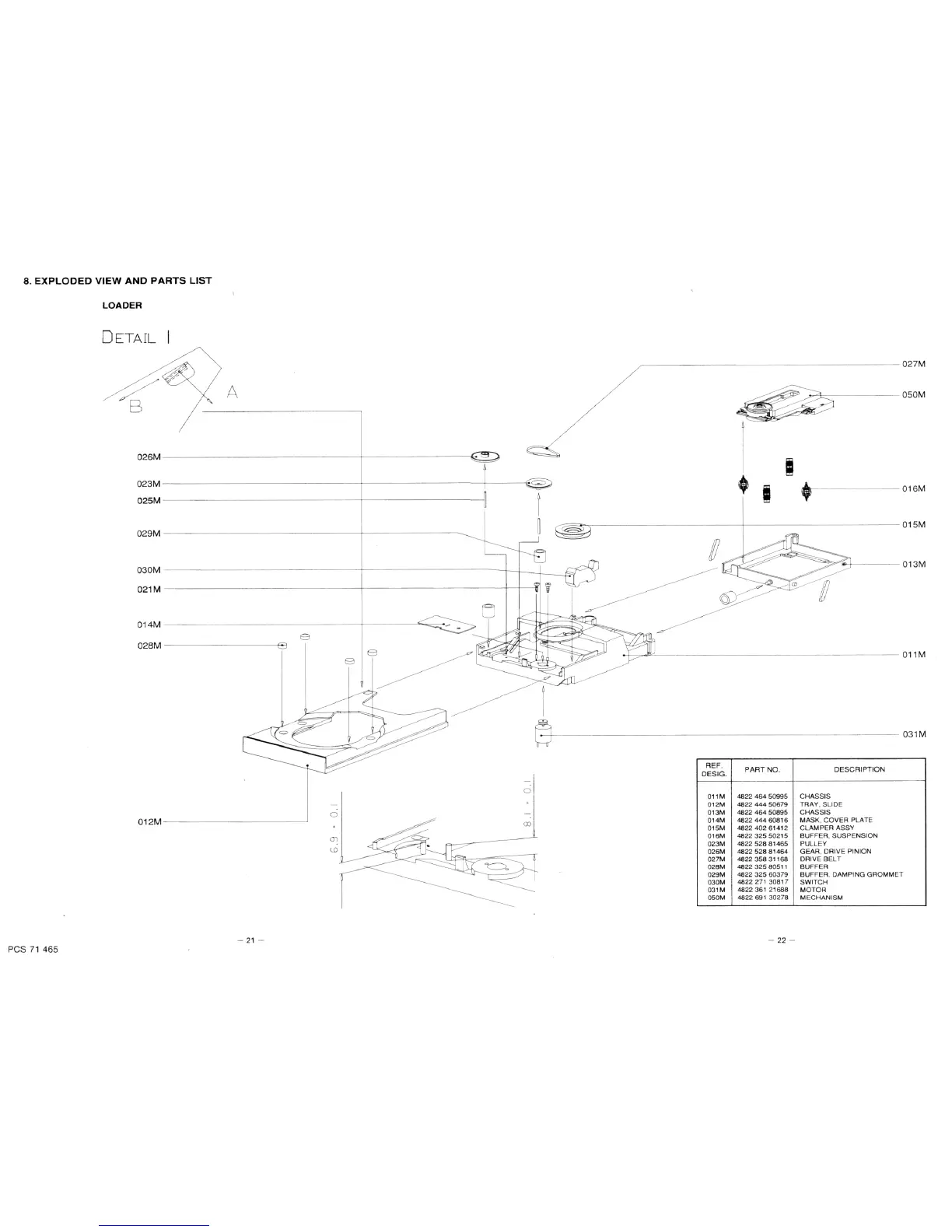
Marantz CD-43 - Exploded View and Parts List; Loader Mechanism Exploded View and Parts

Marantz CD-43
20 pages
Print Icon
To Next Page IconTo Next Page
To Next Page IconTo Next Page
To Previous Page IconTo Previous Page
To Previous Page IconTo Previous Page
Loading...

Related product manuals