EasyManua.ls Logo

Marantz CD-73 - Page 35

Marantz CD-73
36 pages
Print Icon
To Next Page IconTo Next Page
To Next Page IconTo Next Page
To Previous Page IconTo Previous Page
To Previous Page IconTo Previous Page
Loading...
12.
SCHEMATIC
DIAGRAM
(a0!
67uH
5062
Pe
A
et
ee
aos
a
|
|
;
RED
wot
=
cult
_
Hoe
=e
=
0-18
is
ee
[oscar
tame)
Soe
mem
ly
ge!
POWER
PW.
BOARD.
[Siiciert
racers
§
oH
BK
on
fo
[fom
|
[comes
x
cae
ORS!
ORS2
ORS3
di
PRSO
|
|
|
aes
On6
Oe
/2Sy
|
R854
10k
|
e888
0000
=
-
CI
mate
2.
Wat?
x
Wat
cx]
wat
(x
ORAMER
MOTOR
2
1
é
23
R
a
So)
oop
ae
ie
face
g 0
sc
DRAWER
MOTOR
ORIVE
-
none
l
wss
3
AN2
Ata
Ms
env
foH-foyeek
oa
CPi
eI
,
;
FOCUS
RADIAL
TURN
TABLE
~BAV
OT
TO
Tan
_|
js
tna
3
anon
ROR
CTR
=
ATR”
Jey
Sieh
Tao
ae
escen
Cr
hoot
se
nazz
7
pw
Att
Saate
srvfolttofeee
TT
Let
riemes
st
a
RBI7
3.9k
V’)
Cp
H
LL
UR
woTOR
oS
ne
Lola
fe
sty
a
NS
V
100u/1
°
o
a
oe
10V
*
,
to4
fo
ey
oe]
2
oN
.
-
me
=]
2
S=
3
|
an
eee
;
.
3
se
3
RAFOC
UNIT
ae
x
ae
HF
3
ae
TURN
TABLE
@
MOTOR
|
FER
‘obi
ca
inet tata
slo
Ma
a
otto
PRE
AMP+LASER
ASSY
AY40
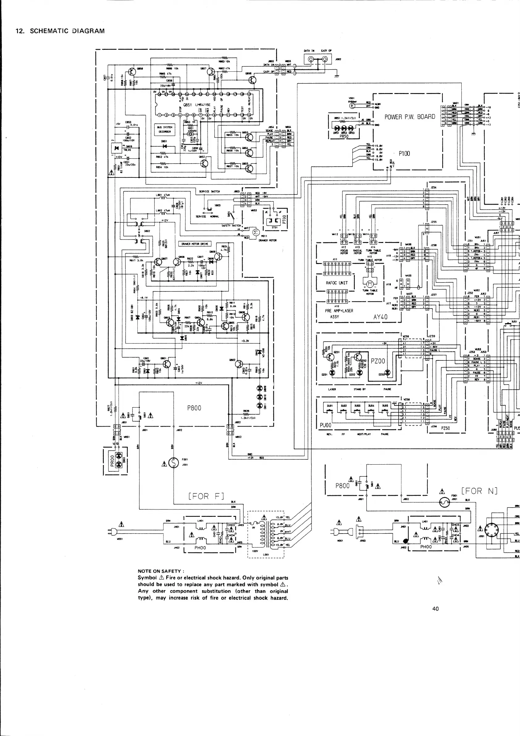
NOTE
ON
SAFETY
:
Symbol
A
Fire
or
electrical
shock
hazard.
Only
original
parts
\
should
be
used
to
replace
any
part
marked
with
symbol
A.
\
Any
other
component
substitution
(other
than
original
type),
may
increase
risk
of
fire
or
electrical
shock
hazard.
40

Other manuals for Marantz CD-73

Related product manuals