EasyManua.ls Logo

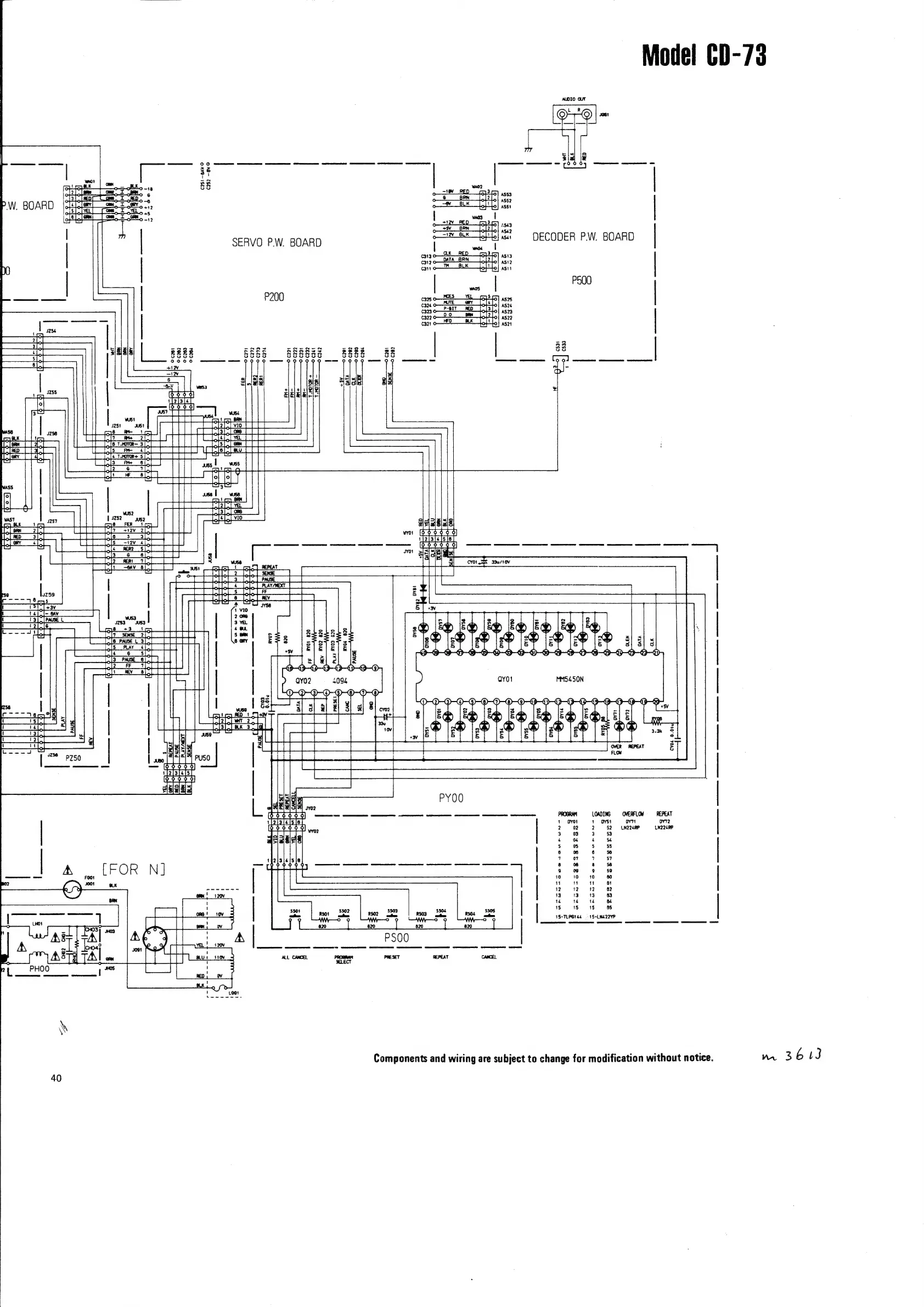
Marantz CD-73 - 12. SCHEMATIC DIAGRAM

Marantz CD-73
36 pages
Print Icon
To Previous Page IconTo Previous Page
To Previous Page IconTo Previous Page
Loading...
Model
CD-73
l
a
Slr
HHH
ata
teh
SERVO
P.W.
BOARD
DECODER
P.W.
BOARD
te
2
Shot
Pelz
rent
tot
et
T
rey
RY02
870
irxrxx)
a
ee
me
a
ee
ee
PROGRAM
LOADING
OVERFLOW
=
REPEAT
1
ovot
1
Ovst
orn
ov72
FREED
vy
2
02
2
$2
LN224RP
LN224RP
3
0
#3
9
Os
4
$4
5
0S
5
$s
6
6
66
4
07
4
57
es
O°8
6
eS
NE
TS
SNS
ND
SRE
SOR
6
0
88
9
oo
89
59
10 10
10
60
w
1
"
61
12
120«12—~=—«82
13
13
13
63
3
16 16
i
1s 15 18
6s
$301
$302
3303
$304
$305
bie
Rt
ae
R02
R303
R306
a
1S-TLPG144
=
15-LN422YP
a0
a8
oe
|
——
_
ee
EE
Se
SS
SY
ete
ALL
CANCEL
PROGRAR
PRESET
REPEAT
select
Components
and
wiring
are
subject
to
change
for
modification
without
notice.
40
wr
3613

Other manuals for Marantz CD-73

Related product manuals