EasyManua.ls Logo

Marantz CD17MK3 - Page 11

Marantz CD17MK3
20 pages
Print Icon
To Next Page IconTo Next Page
To Next Page IconTo Next Page
To Previous Page IconTo Previous Page
To Previous Page IconTo Previous Page
Loading...
13 14
1 11
12
22
23
33
34
44
SERIAL
INPUT
I/F
I/FMODE CONTROL
POWER
LPF
LPF
OSCPOWER
DAC
DAC
R.CH
L.CH
BPZ-CONT.
DELTA-SIGMA
MODULATOR
8FS DF
WITH
FUNCTION
CONTROLLER
SCK
SERIAL
INPUT
I/F
I/FMODE CONTROL
POWER
LPF
LPF
OSCPOWER
DAC
DAC
R.CH
L.CH
BPZ-CONT.
DELTA-SIGMA
MODULATOR
8FS DF
WITH
FUNCTION
CONTROLLER
SCK
C617
C667
R623
R673
QN55
QN05
RN65
RN15
QN06
QN56
RN16
RN66
R622
R672
R621
R671
C614
C613
R619
R618
C665
C615
C616
C666
C664
C663
R669
R668
L651
L601
QH52
QH51
DH53
RH52 RH51
RH54 RH55
RH58
RH56
RH57
QH54
QH55
QH56
QH53
RH53
R652
R651
C653
R655
C654
CD91
CD92
R666
R665
QH02
QH01
DH03
RH02
RH01
RH04 RH05
RH08
RH06
RH07
QH04
QH05
QH06
QH03
RH03
CD55
R605
R616
R615
RD41
RD15
RD12
RD13
RD14
RD11
RD91
CD11
CD54
CD53
RD02
CD05
CD04
CD03
CD06
R602
R601
C603
C604
D811
D812
C812
C814
CY81
DY8 5
D801
D802
D806
D804
C804
C803
C807
C808
F851
Q811
CY82
D813
D814
DY8 3
DY8 4
DY8 1
DY8 2
D815
D816
C813
C815
Q812
D817
D818
CN01
DN07
QN03
DY8 6
QN04
QY82
DN01
DN02
DN04
DN03
DN05
CN03CN02
RN10
RN06
RN02
RY86
RY85
RY84
RY83
RN05
RN04
F811
F821
CY83CY84
QY81
RY88
DN08
RN07
RN03
R804
R653
R603
RD92
RD52
RY80
R664
R614
C602
C651
C652
RD01
CD56
RD51
CD14
C601
R670
Q657
Q658
C668
R620
Q608
Q607
C618
CD51
L652
L602
CD01
R656
CD52
CD02
R606
CD12
CD07
CD57
CD13
DH51
DH52
R654
C655
C605
XD0
1
DH01
DH02
R604
QN01
RY82 RY81
RN13
QD02
QD51
QD01
R803
RN08
DN06
RN12
RN11
QN02
RY87
RN09
QD12
TC7SHU04F
100p
100p
100k
100k
2SC2878
A/B
2SC2878
A/B
2.2K
2.2K
2SC2878
A/B
2SC2878
A/B
2.2K
2.2K
68
68
68
68
220/16V
ARS
220/16V
ARS
JUMPER
JUMPER
220/16V
220/16V
220/16V
220/16V
220/16V
ARS
220/16V
ARS
JUMPER
JUMPER
2SK369
BL
2SK369
BL
120 120
68 68
33K
560
560
2SA1312
(B)
2SA1312
(B)
2SC3324
(B)
2SC2873
(Y)
68
1.62k
3.01k
2200p
562
1000p
18P
18P
33
33
2SK369
BL
2SK369
BL
120
120
68 68
33K
560
560
2SA1312
(B)
2SA1312
(B)
2SC3324
(B)
2SC2873
(Y)
68
0.1
562
33
33
2.2
1/4W
47
220
220
220
220
1M
0.1
47
16V
ARS
47
16V
ARS
10K
0.1
47
16V
ARS
47
16V
ARS
220
10V
1.62k
3.01k
2200p
1000p
4700/16
470/16V
ARE2
100/50
24V
1000/35
1000/35
220/16V
220/16V
7805
100/35
3300/16
220/16
7805
470/25V
5.6V
2SC2712
O, Y
4.7V
2SA1162
O, Y
2SC2458
Y, G R
*
*
*
*
1SS254
2.2
50V
1
50V
47K
10K
47K
47K
47K
47K
10K
3.9M
15K
0.0220.022
2SB798
4.7K
1/6W
*
1K
1/6W
1K
1/6W
JUMPER
3.01k
3.01k
220
10K
10K
10K
10K
10K
10
1/10W
47k
47k
22
25V
ARS
22
25V
ARS
22
25V
ARS
2.2
1/4W
220
10V
2.2
1/4W
0.1
22
25V
ARS
100
2SK170
V
2SJ74
V
150p
100
2SJ74
V
2SK170
V
150p
0.1
2.2µ
2.2µ
0.1
562
1000
10V
1000
10V
562
220
10V
0.1
0.1
0.1
1SS302
1SS302
1.62k
1200p
1200p
16.9344MHz
1SS302
1SS302
1.62k
UMH4N
47 47
4.7K
TC160G11AU-1305
PCM1716
PCM1716
JUMPER
12K
1SS254
100K
10K
UMH4N
22K
12K
J601
67
LRCK
DATA
BCK
CLKO
XTI
XTO
DGND
VDD
VCC2R
AGND2R
EXTR
NC
VOUTR
AGND1
MODE
MUTE
CS/IWO
RST
ZERO
VCC2L
VCC1
VOUTL
NC
EXTL
AGND2L
LRCK
DATA
BCK
CLKO
XTI
XTO
DGND
VDD
VCC2R
AGND2R
EXTR
NC
VOUTR
AGND1
MODE
MUTE
CS/IWO
RST
ZERO
VCC2L
VCC1
VOUTL
NC
EXTL
AGND2L
WCLK01
BCLK01
DOL
VDD
VDD
BCLKI
WCLKI
DIN
VSS
24/32/SEI
I2S/SONY
DINV
MODE1
MODE2
XOUT
CKOUT3
CKOUT2
CKOUT1
VSS
WCLK02
BCLK02
DOR
D811-D818
68
69
68
40
+5V
+5V
COM
COM
D801-D804
DY81-DY84
QY83
J851 J852
J803
J811
J812
J821 J822
HN1A01F
Y, G R
9.5V
9.5V
17V
-17V
-27V
-23.4V
MAIN PCB (PP16-3/3)
DN01-DN04
DN08
(IIEQS10)
(IIEQS10)
(ID3-E)
(ID3-E)
-
- +
+
14
15
16
DELAY
ML
M
M
M
L
L
LM
M
M
L
L
M
M
I S FORMAT 48CLK 16BIT
2
C
VSS
VDD
VDD
VSS
VSS
VDD
VSS
VSS
VSS
VDD
VDD
VSS
VSS
VSS
VSS
XIN
VSS
VSS
VDD
VSS
VDD
RST
MUTE
MUTE
RST
MUTE
RST
69
D
FOR Q102
18
19
20
21
67
18
20
21
18
19
21
49
48
50
51
MLE
MBCK
MDAT
MLE
MBCK
MDAT
14
15
16
17
FOR MPU
LLM
LMU
LPS
LMU
HDAM SHILD (031G)
HDAM SHILD (031G)
5V
0
5V
0
-11.2V
POWER ON
1.2V
0
1.4 SEC
POWER ON
0V
5V
1.4 SEC
16.5V
AC13P
AC13N
VD9(3/3)
AC3.4P
AC3.4N
AC8.5P
AC8.5N
AC13P
0V
AC13N
AC22P
AC22N
AC3.4N
AC3.4P
AC22P
AC22N
V16(3/3)
F1(2/3)
F2(2/3)
VFT(2/3)
V16(3/3)
AMUT(2/3)
MUTO(3/3)
AC13P
AC13N
AC8.5N
AC8.5P
+12V
-12V
+5VS
+5VD
VD9(3/3)
-12V
-12V
+12V
-12V
+12V
MUTO(3/3)
SCLK
WCLK
DATA
MCK
SCLK
WCLK
DATA
MCK
+5VC
+5VC
+5VC
+5VC
+5VC
+5VD
+5VD
MCK
WCLK
BCLK
DOR
DOL
DOL
BCLK
WCLK
WCLK
DOR
BCLK
MCK
MCK
+5VD
+5VD
+5VD
+5VD
MLE
MBCK
MDAT
MLE
MBCK
MDAT
MLE
MBCK
MDAT
MUTE OFF MUTE ON
S2
S1
S3
S4
S4
S3
S2
S1
S2
WCLK
DATA
SCLK
WCLK01
DOL
DOR
BCLK01
WCLK02
BCLK02
+L CH
+R CH
(+L CH)
+L
+R
-L
-R
-11.2V
40
ANALOG
OUTPUT
R
L
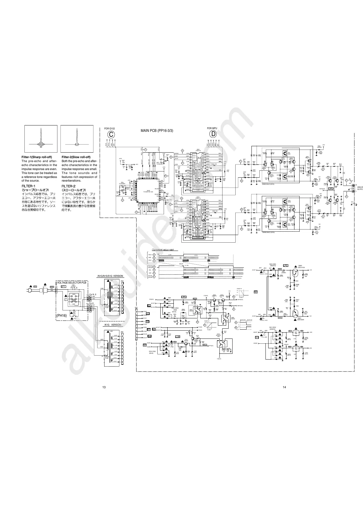
Filter-1(Sharp roll-off)
The pre-echo and after-
echo characteristics in the
impulse response are even.
This tone can be treated as
a reference tone regardless
of the source.
Filter-2(Slow roll-off)
Both the pre-echo and after-
echo characteristics in the
impulse response are small.
The tone sounds and
features rich expression of
reverberations.
ARS
ARS
ARS
ARS
T800mA L 250V
T800mA L 250V
T1A L 250V
D803
D805
ARS
ARS
ARS
ARS
(PH16)
2SD1415A
Q802
R802
1k
C806
47/16V
D807
13V
D808
13V
R801
1k
C805
47/16V
2SB1020A
Q801
JH04
WHT
SH01
GH01
0.01
250V
AC 3.4P
AC 3.4N
AC 22P
AC 22N
AC 13P
0V
AC 13N
AC 8 .5N
AC 8.5P
AC3.4P
AC3.4N
AC22P
AC22N
AC13P
0V
AC13N
AC8.5N
AC8.5P
0V
SH02
VOLTAGE SELECTOR PCB
FUSE
110V
220V
THERMAL
J802
J001
L001
230V
BRN
BLU
0V
FUSE
110V
THERMAL
J802
L001
220V
/K1G VERSION
/N1G/N1S/S1G VERSION
LPT
W001
JH04
JH01
UH01
JUMPER
BRN
BLU
For N, S
For K
For K
For N, S
BLU
BRN
W002
031L
All manuals and user guides at all-guides.com
all-guides.com

Related product manuals