EasyManua.ls Logo

Marantz CD4000/N2B - Page 16

Marantz CD4000/N2B
28 pages
Print Icon
To Next Page IconTo Next Page
To Next Page IconTo Next Page
To Previous Page IconTo Previous Page
To Previous Page IconTo Previous Page
Loading...
7-3
7-3
TIMMING
AND
CONTROL
RIGHT
CHANNEL
REGISTER
FREQUENCY
DIVIDER
LEFT
CHANNEL
REGISTER
V
REF
to headphone
Right
to/from ECO_SL
Left
Left
to/from FRONT
Left
Right
Right
AGND
+10V
-10V
STANDBY
LINE OUT
DIGITAL / OPTICAL OUT for CD723
to/from ECO_SL
1 2 3 4 5 6 7 8 9 10 11 12 13 14
1 2 3 4 5 6 7 8 9 10 11 12 13 14
A
B
C
D
E
F
G
H
A
B
C
D
E
F
G
H
1251 B1
1252 F14
1502 F4
1503 G7
1504 D14
1506 B14
1507 B3
2500 B2
2502 B5
2509 C9
2510 D9
2511 B10
2512 E10
2513 D13
2514 E13
2521 A9
2522 F9
2523 C1
2524 B7
2529 B9
2530 E8
2543 G6
2531 B6
2541 F5
2542 G5
3500 D2
3501 D3
3502 B3
3503 C3
3504 C3
3505 B5
3506 B7
3507 B7
3511 C9
3512 D9
3513 B11
3514 E11
3527 C10
3532 D11
3534 C10
3535 D2
3537 A9
3538 E9
3539 B12
3540 C12
3541 D12
3542 E12
3543 B12
3544 D12
3545 C12
3547 E12
3548 E3
3556 G6
5801 F5
6500 D11
7500 C2
7501 E2
7502 C6
7504 D11
7505-A E9
7505-B B9
7507 B13
7508 C13
7509 D13
7510 E13
F510 B1
F511 B1
F512 B1
F513 C1
F514 C1
F515 C1
F516 C1
F517 E2
F518 B6
F519 B7
F521 D8
F522 D8
F525 B14
F526 B14
F527 C14
F528 C14
F529 C14
F530 D14
F531 D14
F532 D14
F540 F4
F541 G4
F542 G4
F543 F6
F544 G6
F550 G14
F551 G14
F552 G14
F553 G14
F554 G14
F555 G14
F556 G14
F557 H14
A
1507
RT-01T1
A
D1
A
22n
2500
22n
2531
+5V
A
10K
3507
F543
F544
F541
F542
F540
3556
10R
1
2
34
6
78
100n
2543
1u
2541
5801
3
2
1
PH-B
1502
1
2
3
F532
YKC21-3564
1503
F531
F557
F530
F556
F554
F555
F552
F553
F551
F529
F550
F528
F526
F527
F521
F525
F522
F518 F519
F517
F515
F516
F513
F514
F512
+10V
F510
F511
3535
5K6
-10V
3548
2K2
3537
220R
3538
220R
2530
1n
3534
10K
4
2529
1n
4
NJM4560D
7505-A
3
2
1
8
NJM4560D
7505-B
5
6
7
8
7509
BC337-40
7510
BC337-40
7508
BC337-40
3532
220K
7507
BC337-40
3547
1K
3544
1K
3542
1K
3545
1K
3541
1K
3540
1K
3539
1K
3543
1K
100R
3504
100R
3502
3503
100R
A
A
A
470p
2513
3511
3K3
3K3
3512
+5V
VC
VC
47K
35133514
47K
220p
2510
2509
220p
A
A
-VKK
POWERED
KILLI
STDBY
7
8
D
F1
F2
+5V
EH-B
1252
1
2
3
4
5
6
KILL
+5V
+5V
3527
2K2
KILL
-10V
BC557B
7504
EH-B
1506
1
2
3
4
5
A
3506
15K
2524
47u
220u
2502
100R
3505
3500
5K6
7501
BC558C
D
3501
10K
+10V
STDBY
7500
BC327-40
7502
TDA1545A
6
8
1
3
4
GND
75
VDD
2
A
+10V
+5V
-10V
A
A
A
A
A
A
A
A
A
A
3
KILLP
A
A
1N4148
6500
1504
YKC21-3418
1
2
4
2514
470p
2511
47u
47u
2512
220u
2522
2521
220u
1251
1
2
3
4
5
6
7
10n
2523
EH-B
2542
100n
A
3,3V
11,2V
-11,2V
2,1V
3,3V
-8,3
5,4V
-11,2V
2,1V
11,2V
3,3V
3,3V
0V
0V
-8,3
-8,3
-8,3
-8,3
5,6V
0V
0V
5V
5V
5V
left channel
MSB
LSB
MSB
LSB
right channel
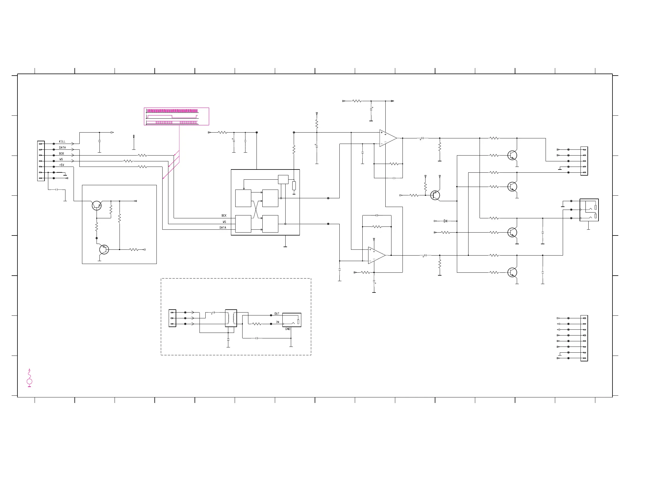
TRANSFER OF AUDIO SAMPLES VIA SERIAL INTERFACE
TB 0.5 s/Div
4.23MHz
176.4kHz
DATA
DATA
WORD SELECT
WORD SELECT
CLOCK
CLOCK
AF Board / DAC part
EVM
V
in Play mode
...DC voltages measured

Related product manuals