EasyManua.ls Logo

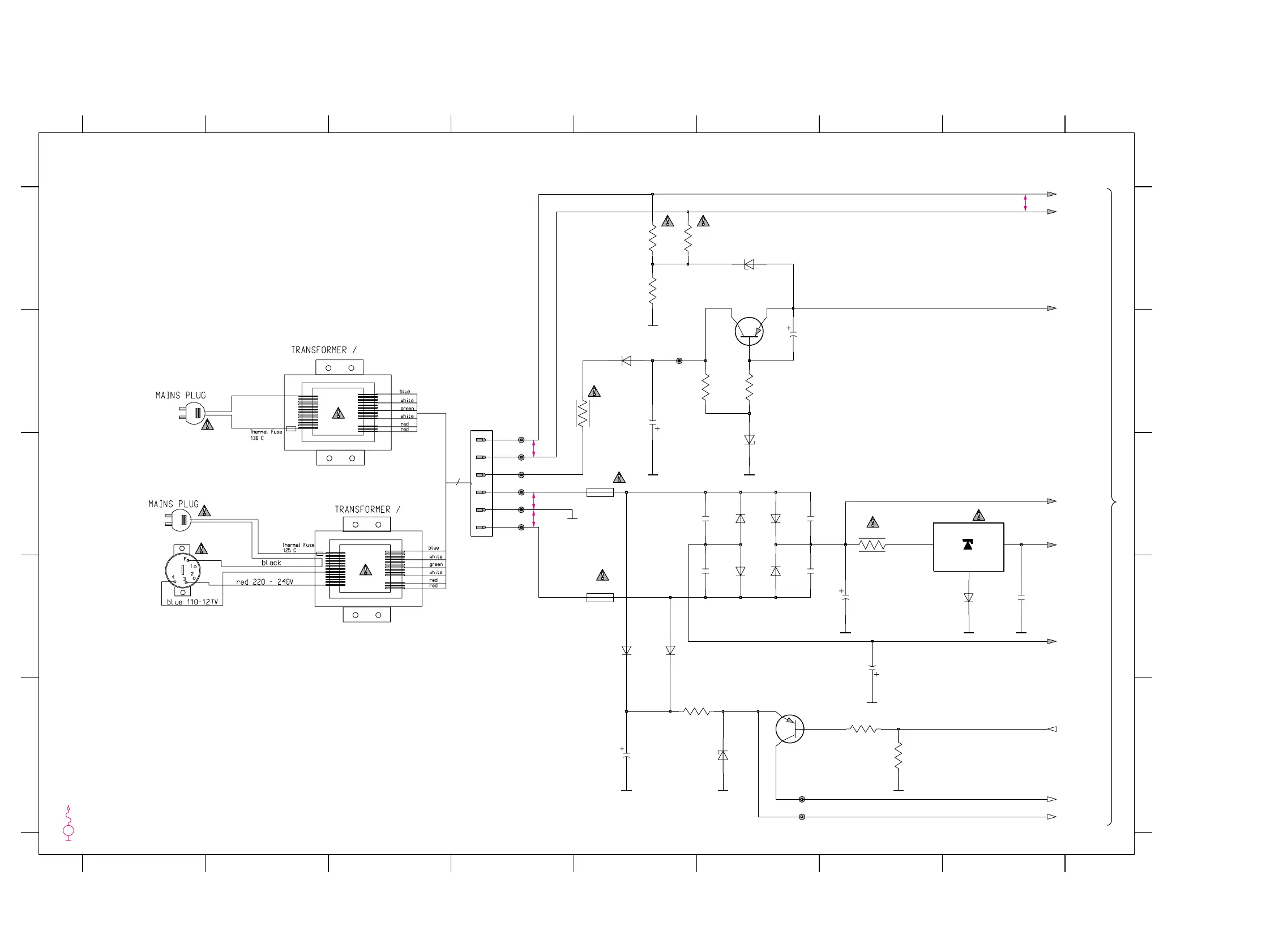
Marantz CD5000 - Circuit Schematics - AF Board; AF Board and Power Supply Schematic

Marantz CD5000
30 pages
Print Icon
To Next Page IconTo Next Page
To Next Page IconTo Next Page
To Previous Page IconTo Previous Page
To Previous Page IconTo Previous Page
Loading...
6
N, /T, /U, /F
K
1 2 3 4 5 6 7 8
1 2 3 4 5 6 7 8
A
B
C
D
E
A
B
C
D
E
1250 B4
1255 C5
1256 D5
2250 B6
2251 B5
2252 C6
2253 C6
2254 D7
2255 D8
2256 D6
2257 D6
2258 D7
2259 E5
3251 A5
3252 A5
3253 A5
3254 B6
3255 B6
3256 E6
3257 E7
3258 E7
3260 C7
3557 B4
6250 C6
6251 A6
6252 B5
6253 C6
6254 C6
6255 D6
6256 D6
6257 D5
6258 D5
6259 E6
6260 D8
7250 A6
7251 C8
7252 E6
F560 C4
F561 C4
F562 C4
F563 C4
F564 C4
F565 C4
F566 B5
F567 E6
F568 E6
F567
F568
F566
F564
F565
F563
F561
F562
T630mA
1256
F560
T630mA
1255
6R8
3557
1N4003
6260
D2
3260
5R6
2259
220u
22n
2257
4K7
3254
A
POWERED
2K2
3255
470R
3251
470R
3252
F1
+5V
6251
BZX55-C4V7
2
VIN
1
VOUT
3
-VKK
F2
7250
BC327-40
7251
L7805CV
KILLI
KILLP
A
D
A
-10V
A
DD
D2
A
+10V
D2
4K7
3258
3257
4K7
7252
BC558C
1K
3256
BZX79-C3V9
6259
6258
1N4003
2258
1N4003
6257
100n
2255
3m3
2256
22n
2254
4m7
22n
2252
6255
1N4003GP
2253
22n
1N4003GP
6254
1N4003GP
6253
6256
1N4003GP
470n
2250
2251
TO/FROM AF BOARD / DAC PART
220u
BZX79-C27
6250
1N4003
6252
EH-B
1250
/N, /T : 220-230V
/U : 120V
/F : 100V
1
2
3
4
5
6
22K
3253
AF Board / Supply part
5V~
5V~
-28,5V
-31,4V -27,8V -27,8V
10,7V
5,6V
0,6V
-11,7V
3,9V
-8,3V
3,4V
10,2V
9,5V~
9,5V~
EVM
V
in Play mode
...DC voltages measured

Other manuals for Marantz CD5000

Related product manuals