EasyManua.ls Logo

Marantz CD5400 - Page 19

Marantz CD5400
35 pages
Print Icon
To Next Page IconTo Next Page
To Next Page IconTo Next Page
To Previous Page IconTo Previous Page
To Previous Page IconTo Previous Page
Loading...
26
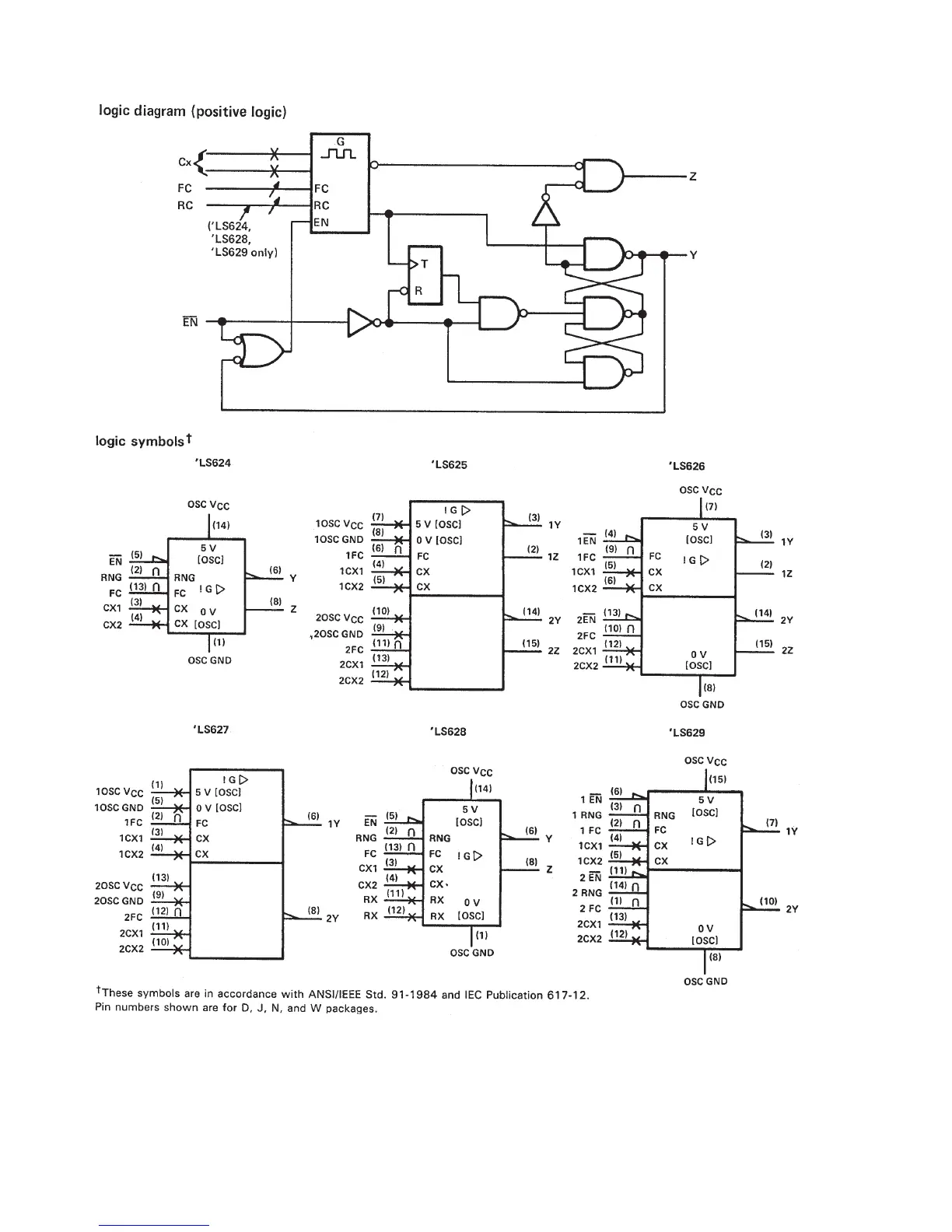
IC62 : TC74LS628

Other manuals for Marantz CD5400

Related product manuals