EasyManua.ls Logo

Marantz cp430 - Page 23

Marantz cp430
26 pages
Print Icon
To Next Page IconTo Next Page
To Next Page IconTo Next Page
To Previous Page IconTo Previous Page
To Previous Page IconTo Previous Page
Loading...
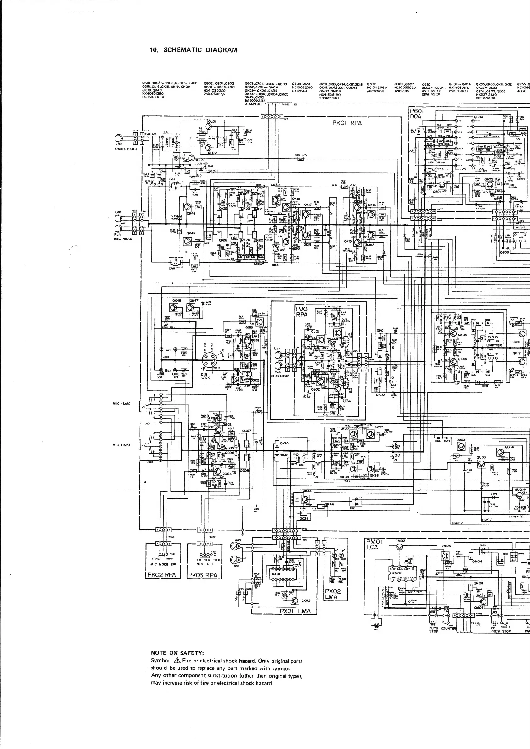
10.
SCHEMATIC
DIAGRAM
Q601,0803~0808,Q90I~
9906
9602,
980!
,a802
Q603,0704,0G05~0608
604,065!
Q701,QKI3,QKI4,QKI7,QKI8
Q702
Q809,0907
aco.
QUOI~
QU04
—QKO5,QK06
,OKII,QKI2
QK35
32
0GS!1,QKI5,QKI6,
QKI9,
QK20
QGO0!~
9604,aG6I
Q662,0KOI
~
QKO4
HCIOO62010
=
QK41,OK42
,0K 47,
QK48
HCIOIIZ060
HCIOO55020
©
QUO2~
QU04
=HX4I030ITO
=
QK27~
OK33.
HC406
QK39,QK40
HX410302A0
QK2I~
QK26,
0K34
HAI2048
QMO3,QMO6
uPCI2606
AN6291S
HXIIIG2IAZ
2SD1030(T)_~—
gol,
9so2,
Q@xo2
4066
HX
40601280
2SD10301R,S)
QK44~
0K46,0M04,0M05
HX413281RO
2SA1162(G)
HX327
2SD601
(R,S)
QK49,0K50
2SD1328(R)
BeceriziG)
>
[yous
0.47
>
O—O
wo?
eames)
ERASE
HEAD
|
OTCI24
(Ss)
|
TO
PSOI
JS02
ne
a
a
ee
es
ee
a
QQ
QQ:
LL,
LT
.
JLOV
eee
he
©
|
PKOI
RPA
so73
butoz
22
.
A
»
Lo
2
ea
Fs
.
;
OD
CO
f
7
=
=
4
pe
6
31|
§
REE
ae
z
7
ze@
00
~
£605
44
Jory
R62!
i)
a
wit
eal
nso2
fae
ae
ce
A
|
ae)
vey
5)
a
beh
=
rail
ones
>
Te
eee
Hg
eld
ee
i
af
fos
Reh
ese)
REC
HEAD
oT
@
MIC
(Lech)
ix
:—_
=
Es
®
©
oO,
RGIS
Lay
”%
3
aac!
oe
6
ea
an
fi
ea
raat
me
ee
ail
hey
Biscoals
eee
na
g
©
idan?
wo
O
F
BY
aie
|
WY)
4
al
:
all
oe;
+e
al
ne
3
am
one
QMO!
iw
SY
3
OU7V
4.41
erty
ne
i.
lee
Ie
Loos
LI]
.
t:
|
te
hak
wool
YsX-5)
ods]
MIC
MODE
sw
MIC
ATT.
|PKO2
RPA
|
=
RPA
|
ese
ino’
KK}
2x02
cia
LMA
|
|.
PxXOl
RMOI
0.5
(1/2W)
NOTE
ON
SAFETY:
Symbol
A\
Fire
or
electrical
shock
hazard.
Only
original
parts
should
be
used
to
replace
any
part
marked
with
symbol
Any
other
component
substitution
(other
than
original
type),
may
increase
risk
of
fire
or
electrical
shock
hazard.

Other manuals for Marantz cp430

Related product manuals