EasyManua.ls Logo

Marantz cp430 - Wiring and Adjustment Information

Marantz cp430
26 pages
Print Icon
To Next Page IconTo Next Page
To Next Page IconTo Next Page
To Previous Page IconTo Previous Page
To Previous Page IconTo Previous Page
Loading...
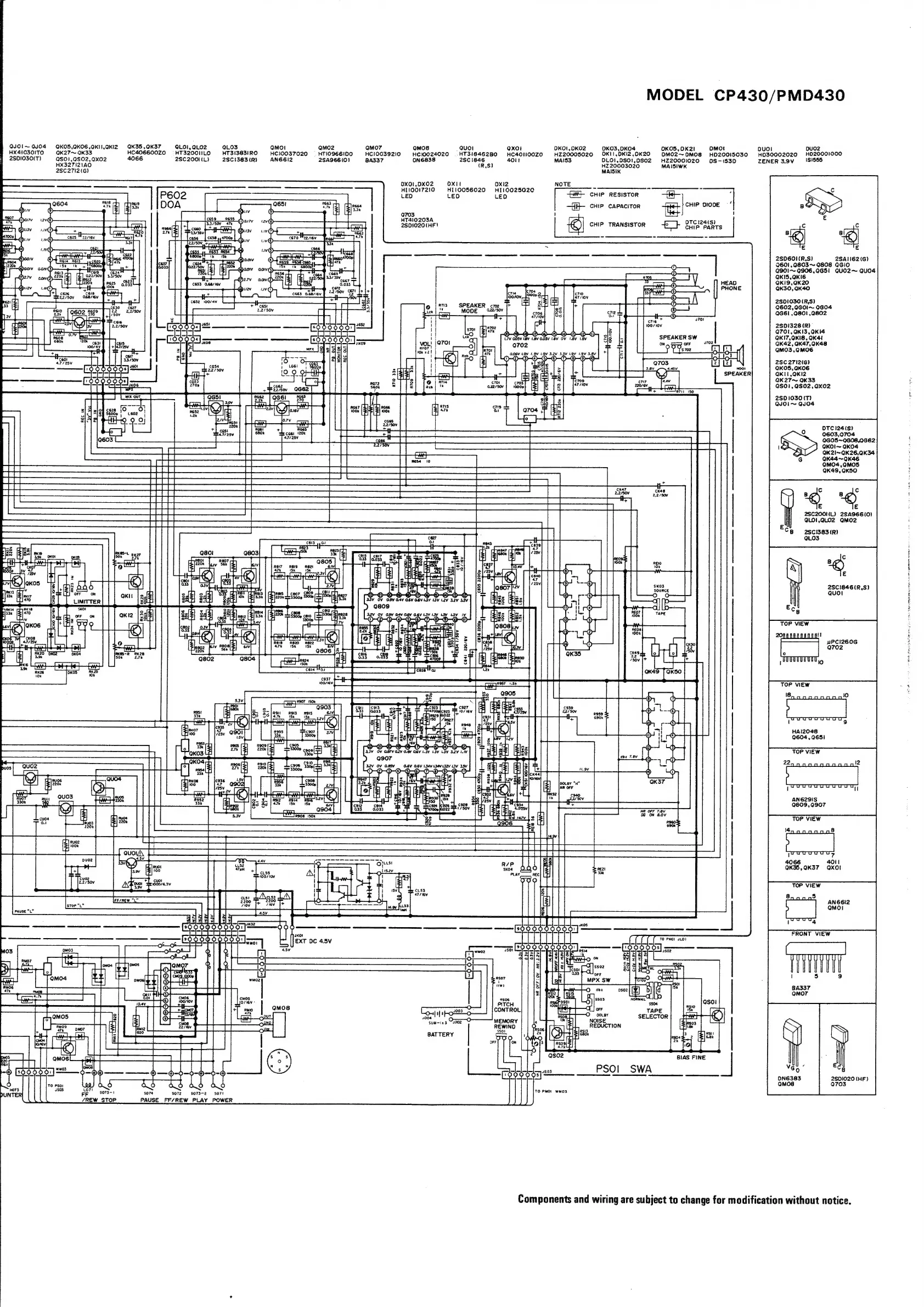
MODEL
CP430/PMD430
QJOI~
QJ04
QKO5,QKO6,QKII,QKI2
QK35,QK37
QLO!,
QLO2
QLO3
QMO!
QMo2
QmMOo7
QMOs
Quoi
Qxol
OKO!
,OKO2
OKO3,DKO4
OKOS,
OK21
OmOo!
HX41030!ITO
QK27~
OK33
HC406600ZO
=
HT
320011LO
HT31383IRO
HC10037020
=
HTIO966100
HC10039210
HC10024020
=
HT318462B80
=9HC401100Z0
HZ20005020
OKI1,0KI2,0K20
omo2~
OMO8
HD20015030
H
=2S01030(T)
QS01,QS02,Qx02
4066
2SC2001(L)
2SC1383(R)
AN6612
2SA966(0)
BA337
ON6838
2SC
1846
401!
MAIS3.
OLO1,DS01,0S0O2
HZ20001020
0S-1530
HX327121A0
(R,S)
HZ20003020
MAISIWK
28C2712(G)
MAISIK
D0xO1,0x02
Oxi
OxI2
NOTE
HI1001I7210
-HI10066020
HI1002502¢0
7
[oo
r
=a
bee
|
LED
LED
LED
|
“G44
CHIP
RESISTOR
he
|
REGS
CHIP
Ot
i
+4
os
y,
ork
FI
feiss
—HH-
CHIP
CAPACITOR
THE
O100E
lass
css
ATaio203A
1
i
()ai7v
12v@)
OTC124(S)
et
60
Bi
Qusv
oe
2S01020(HF?
©
CHIP
TRANSISTOR
CHIP
PARTS
27k
TE
3/35v
D
1iv@
ai
tl
>)
Gneeree
Saee
aa
one
i
r—¢
oe
Reis
Pes
diond
Fame
as
ile
ee
corr
sl
|
ME
Es
oor
ies
ot
ai*s
Bs
uizv
LIV)
[es
3.3/35vA4
Tv
QoSv
LBV
1.BV
Q03V
IBV
OV
1.BV
Lav
SPEAKER
SW
ON
OFF
9702
950.
Q703
3.8v
4.45.
noot
SPEAKER
Bes
2
fos
680k
3
cG6!
bed
AAA
be
A
pew
I)
fee
fe20
Rez
=e)
47k
15k
Sk
Sf]
Pr,
Ee
|
Te
FA
[
SS
=|
oor
quod,
ianeweanaet
eA
oF
Sv
Te
a.
ee
ite
eo
a
GPP
REE
weo2z
H
q
ae
36
TOT
s
a
q
or
|
|
{8
sere
i
"sor
8
ae
time
Me
|
ws
$
o+—_—4
=
RS06
7a
icgrov
1
ra
PITCH
Osfif
02003
_5
CONTROL,
he
yu=t
13
Cioee
0
MEMORY
ks
Ses
a
BATTERY
nt?
3
BIAS
FINE
PSOI
SWA
TO
PMO!
WMO3
TO
PSO!
oO
O
Qa.
O
@'
O O
O
O
O
DUNTE
an
se
A
073-1
so74
$072
073-2
507!
A
FEW
STOP
PAUSE
_FF/REW
PLAY
POWER
ouot
ou02
HD30002020
020001000
ZENER
3.9V
—'SISSS
2SD601(R,S)
2SA1162(G)
Q60!1,9803~
9808
QGIO
Q90i~
Q906,0G5!I
QU02~
QU04
QKI5,QKI6
QKI9,QK20
QK30,QK40
2S01030(R,S)
Q602,QGOIi~
OG04
QG6I
,Q801
,Q802
2S01328(R)
Q701,
QKI3,QKI4
QKI7,QKI8,
QK41
QK42,
QK47,QK48
QMO3
,QMO6
2SC2712(G)
QKO5,QKO6
QKI1,QKI2
QK27~
QK33
QS01,QS02,0x02
2S01030(T)
Qu0I1~
Qu04
OTC
124(S)
Q603,0704
QG05~QG08,QG62
QKOI~
QKO4
QK2i~QK26,QK34
QK44~QK46
QMO4,QMO5
QK49,QK50
8
©
B
©
E
E
2SC2001(L)
2SA966(0)
QLOI,QLO2
QMO2
2SC1383(R)
QLaQ3
2SC1846(R,S)
QUO!
uPCI260G
Q702
HAI2048
Q604,Q65!
AN6291S
Q809,0907
FRONT
VIEW
BA337
QMO7
V6
o
tet
ON6383
2S01020
(HF)
QMO8s
Q703
Components
and
wiring
are
subject
to
change
for
modification
without
notice.
Sal
Acasa:
diets
spetectsa
Dod
ewloneateanege
bt
soe
toag
se
ore

Other manuals for Marantz cp430

Related product manuals