EasyManua.ls Logo

Marantz DV7010 - Page 55

Marantz DV7010
73 pages
Print Icon
To Next Page IconTo Next Page
To Next Page IconTo Next Page
To Previous Page IconTo Previous Page
To Previous Page IconTo Previous Page
Loading...
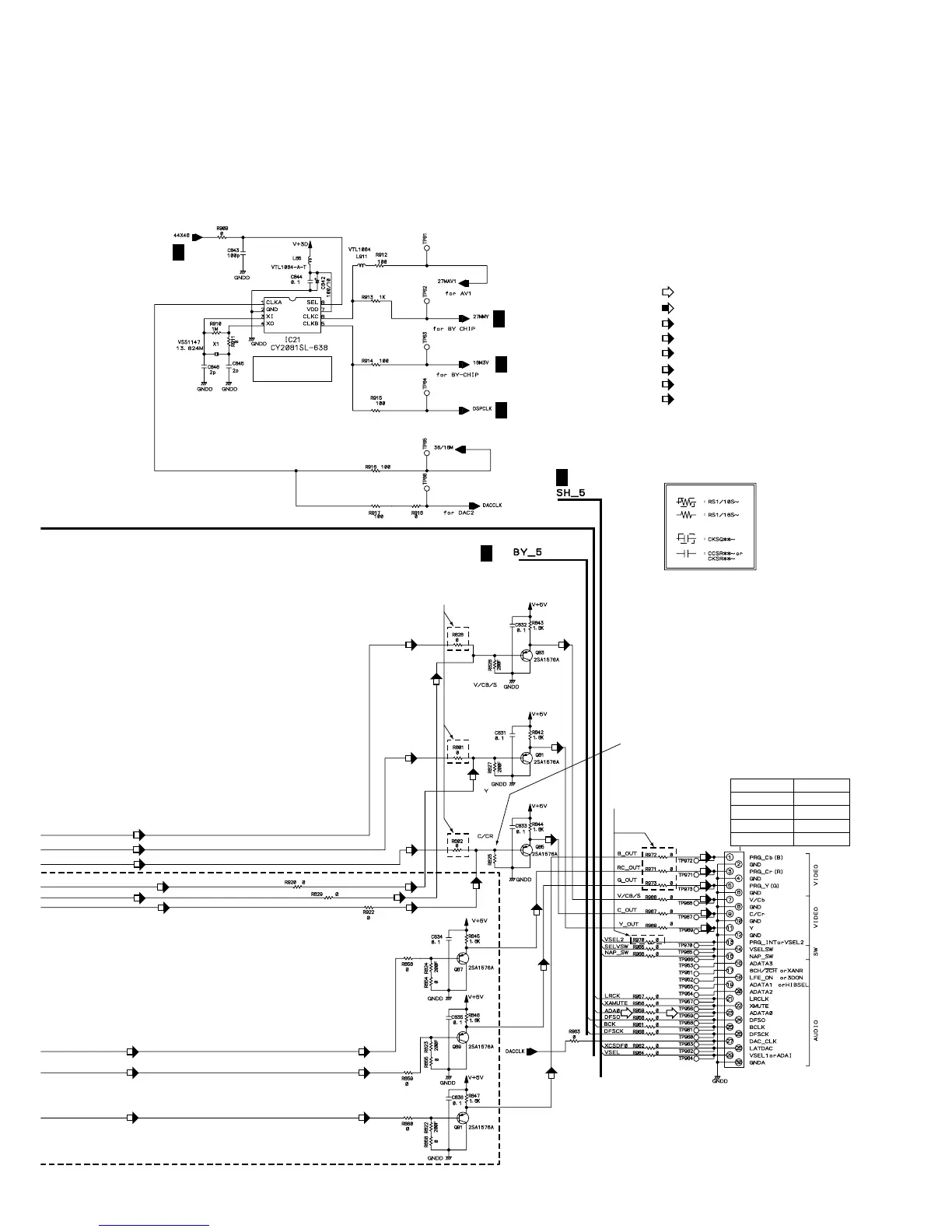
RESISTOR
CAPACITOR
2/3
D
1/3
D
2/3
D
2/3
D
2/3
D
2/3
D
DB-VPB210, 211, 213, 214 ONLY
DB-VPB212 ONLY
R825
180F: DB-VPB212
200F: DB-VPB210, 211, 213, 214
CLOCK
GENERATOR
CN5
DB-VPB210 VKN1516
DB-VPB211 VKN1626
DB-VPB212 VKN1516
DB-VPB213 VKN1516
DB-VPB214 VKN1626
: AUDIO SIGNAL ROUTE
: ROM DATA SIGNAL ROUTE
: V/CB SIGNAL ROUTE
(VCB)
: Y SIGNAL ROUTE
(Y)
: C SIGNAL ROUTE
(C)
: R SIGNAL ROUTE
(R)
: G SIGNAL ROUTE
(G)
: B SIGNAL ROUTE
(B)
(VCB)
(Y)
(C)
(VCB)
(Y)
(C)
(VCB)
(Y)
(C)
(VCB)
(VCB)
(VCB)
(VCB)
(Y)
(Y)
(Y)
(Y)
(B)
(R)
(G)
(B)
(R)
(G)
(B)
(R)
(G)
(B)
(R)
(G)
(C)
(C)
(C)
(C)
3-8

Other manuals for Marantz DV7010

Related product manuals