EasyManua.ls Logo

Marantz DV7600 - Page 37

Marantz DV7600
73 pages
Print Icon
To Next Page IconTo Next Page
To Next Page IconTo Next Page
To Previous Page IconTo Previous Page
To Previous Page IconTo Previous Page
Loading...
50
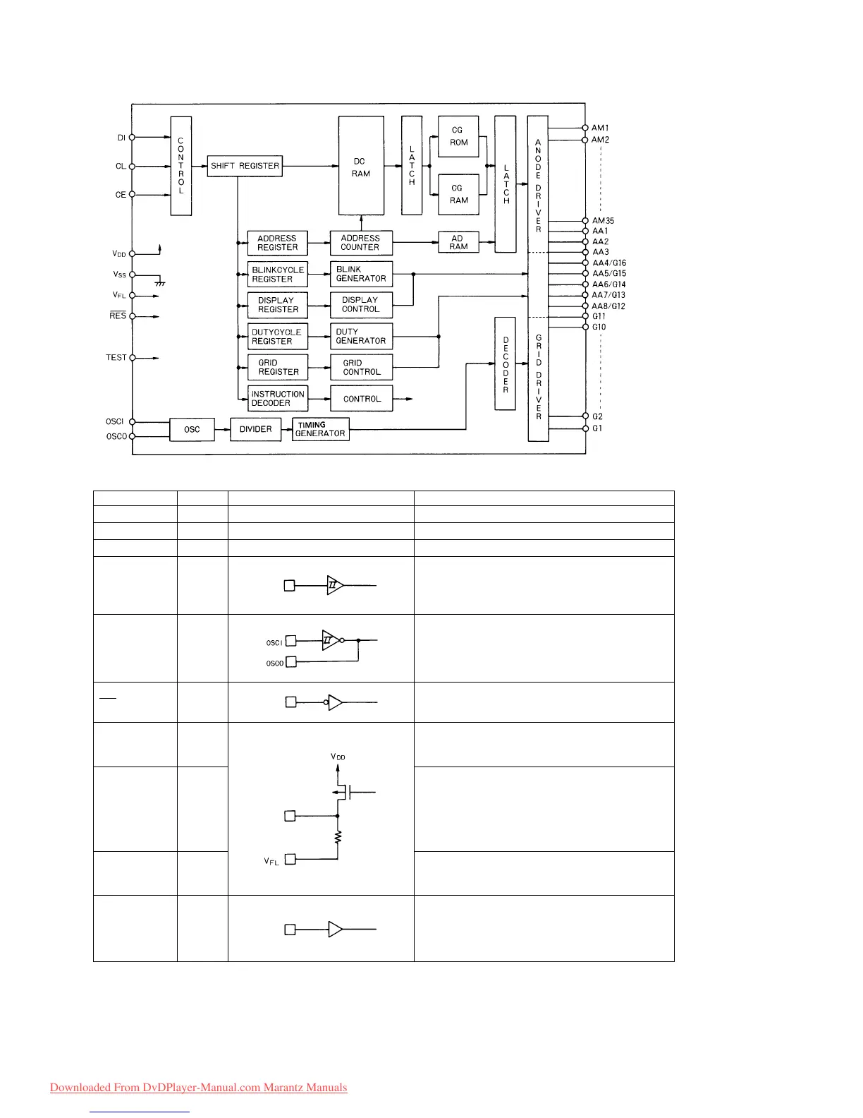
IC42 : LC75712E (FL DRIVER)
Pin No. Pin circuit Function
V
DD
V
SS
V
FL
DI
CL
CE
OSCI
OSCO
RES
AM1 to AM35
AA1 to AA3
AA4/G16
AA5/G15
AA6/G14
AA7/G13
AA8/G12
G1 to G11
TEST
1
1
1
1
1
1
1
1
1
38
5
11
1
Logic block power supply: +5 V (typical)
Logic block power supply: ground
Driver block power supply
Serial data interface
DI: Transfer data
CL: Synchronization clock
CE: Chip enable
External oscillator RC circuit connections
System reset input
Anode outputs
Pull-down resistors are built in.
Anode/grid outputs
These pins function as grid output pins when the number of
displayed digits is selected to be between 12 and 16 digits with
the “Grid register load” instruction.
Pull-down resistors are built in.
Grid outputs
Pull-down resistors are built in.
LSI testing
This pin must be connected to V
SS
during normal operation.
Downloaded From DvDPlayer-Manual.com Marantz Manuals

Other manuals for Marantz DV7600

Related product manuals