EasyManua.ls Logo

Marantz PM400 - 11. Block Diagram

Marantz PM400
27 pages
Print Icon
To Next Page IconTo Next Page
To Next Page IconTo Next Page
To Previous Page IconTo Previous Page
To Previous Page IconTo Previous Page
Loading...
Oo
YHOMLIN
SaNOHd
walt
pe
V
avaH
M01
WNIWHAL
G|
uaywads
"Liv
HOLIMS
H3L714
MO1
“dWV
NIVW
HOLIMS
WNIWHSL
Y3anVads
wayvads
u313W
waMOd
aa
sas
YYOMLAN
TW
ssanano1
1OULNOD
%
%
3
HOLIMS
SSANGNO1
=
9NIXIW
{>
[>
/\
/\
“dw
SNOL
“dW
Jud
TOULNOS
AWNTOA
TOYULNOD
JONV1Vd
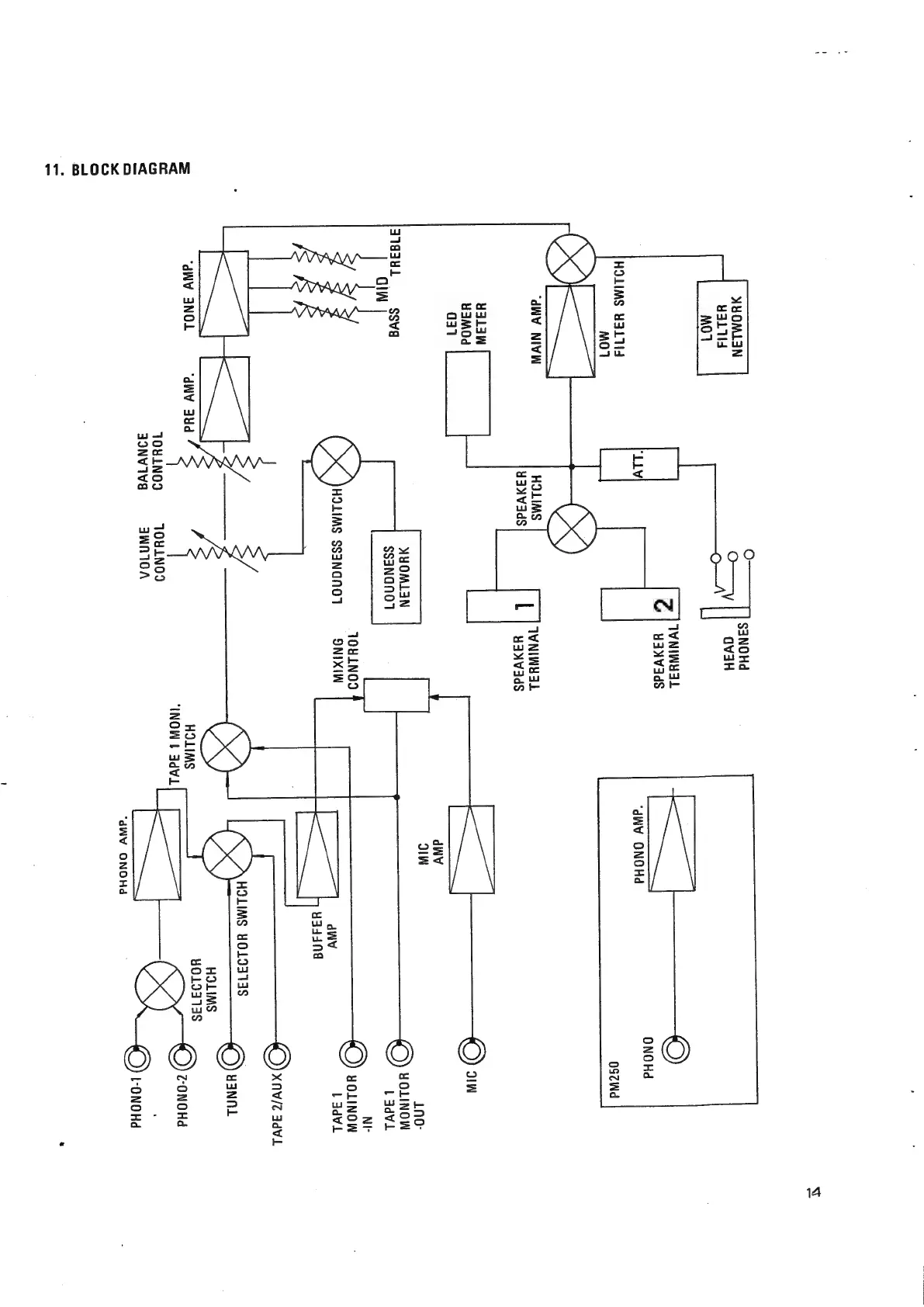
11.
BLOCK
DIAGRAM
Nv
©)
vo1inow
Le
ees
dV
Ladvi
ae
Ra
“dWY
ONOHd
(O)
a1
LNO-
HOLINOW
U
b
adVL
())
XNW/Z
ad
S.
KN
HOLIMS
H0.19373S
e<
OS
C))
wana
HO.LIMS
401939748
ae
aus
L-ONOHd
dWV
ONOHd
HOLIMS
“INOW
LE
AdVL
14

Related product manuals