EasyManua.ls Logo

Marantz SA8400F1N - Page 55

Marantz SA8400F1N
65 pages
Print Icon
To Next Page IconTo Next Page
To Next Page IconTo Next Page
To Previous Page IconTo Previous Page
To Previous Page IconTo Previous Page
Loading...
3-34 3-35
FROM 5/6
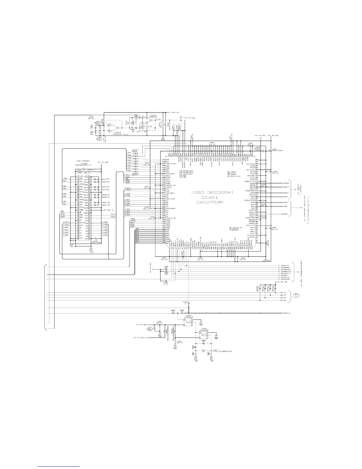
Super Audio CD
MODULE UNIT - 6/6

Related product manuals