EasyManua.ls Logo

Marantz SC-7S2 - Page 63

Marantz SC-7S2
81 pages
Print Icon
To Next Page IconTo Next Page
To Next Page IconTo Next Page
To Previous Page IconTo Previous Page
To Previous Page IconTo Previous Page
Loading...
75
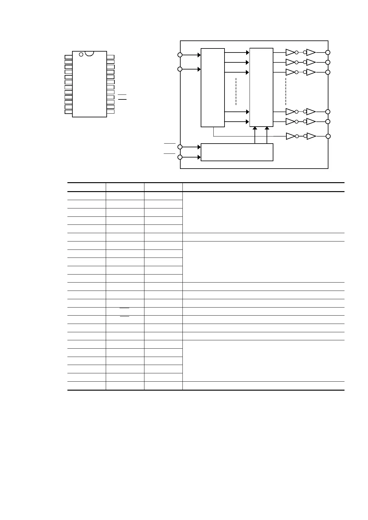
Q301 : NJU3716
P1
Shift Register
Controller Circuit
Latch Circuit
P2
P3
P15
P16
DAT
A
CL
K
STB
CLR
SO
P7
1
2
3
4
5
6
7
8
9
10
11
12
24
23
22
21
20
19
18
17
16
15
14
13
V
DD
P6
P5
P4
P3
P2
V
SS
P1
CLR
STB
CLK
DATA
P8
P9
P10
P11
V
SS
P12
P13
P14
P15
P16
SO
No. SYMBOL I/O FUNCTION
1 P7 O
2 P8 O
3 P9 O
4 P10 O
5 P11 O
Parallel Conversion Data Output Terminals
6 V
SS
- GND
7 P12 O
8 P13 O
9 P14 O
10 P15 O
11 P16 O
Parallel Conversion Data Output Terminals
12 SO O Serial Data Output Terminal
13 DATA I Serial Data Input Terminal
14 CLK I Clock Signal Input Terminal
15
STB
I Strobe Signal Input Terminal
16
CLR
I Clear Signal Input Terminal
17 P1 O Parallel Conversion Data Output Terminal
18 V
SS
- GND
19 P2 O
20 P3 O
21 P4 O
22 P5 O
23 P6 O
Parallel Conversion Data Output Terminals
24 V
DD
- Power Supply Terminal (2.4 to 5.5V)

Other manuals for Marantz SC-7S2

Related product manuals