EasyManua.ls Logo

Marantz SC-7S2 - Page 64

Marantz SC-7S2
81 pages
Print Icon
To Next Page IconTo Next Page
To Next Page IconTo Next Page
To Previous Page IconTo Previous Page
To Previous Page IconTo Previous Page
Loading...
76
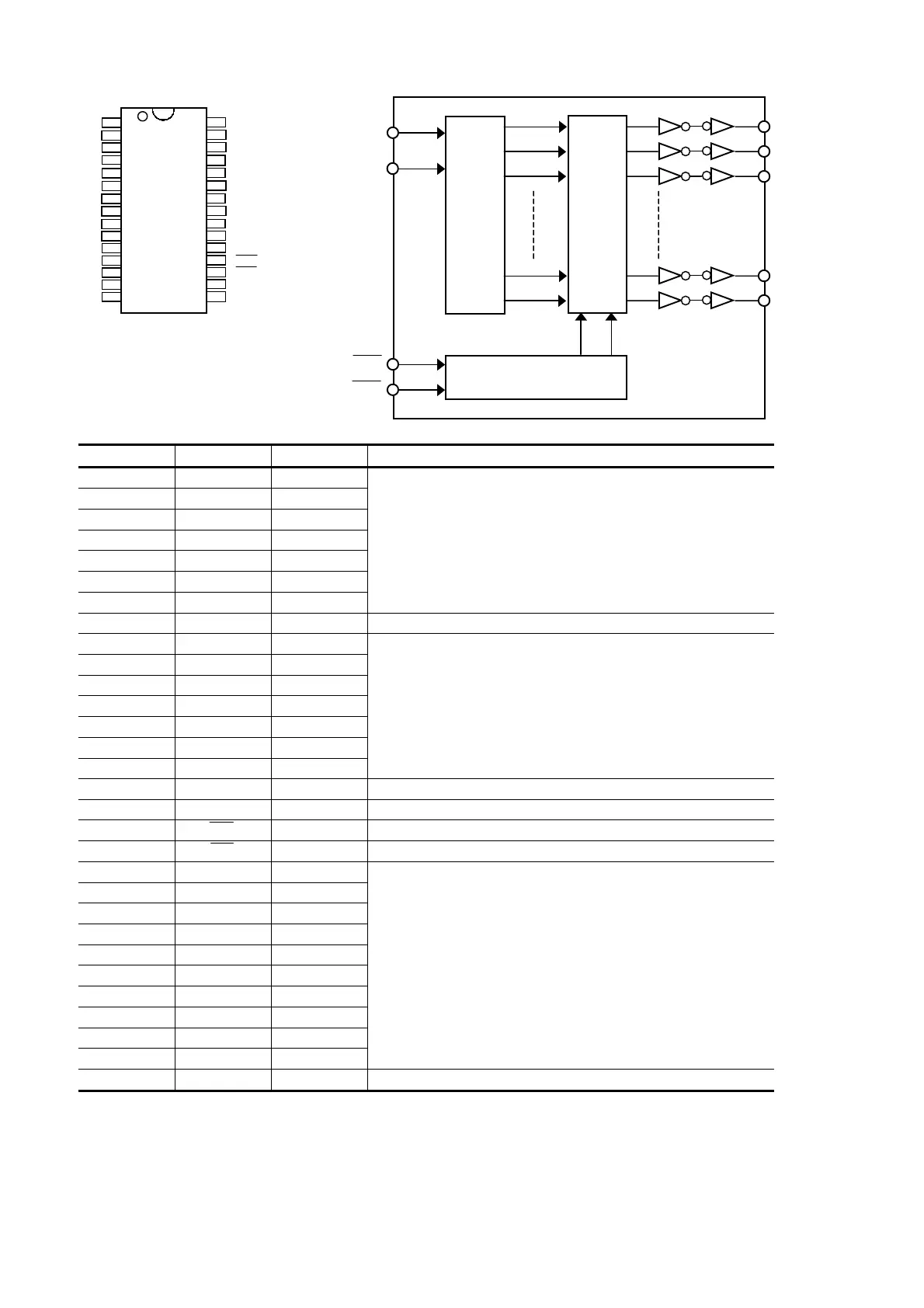
Q302 : NJU3719
No. SYMBOL I/O FUNCTION
1 P11 O
2 P12 O
3 P13 O
4 P14 O
5 P15 O
6 P16 O
7 P17 O
Parallel Conversion Data Output Terminals
8 V
SS
- GND
9 P18 O
10 P19 O
11 P20 O
12 P21 O
13 P22 O
14 P23 O
15 P24 O
Parallel Conversion Data Output Terminals
16 DATA I Serial Data Input Terminal
17 CLK I Clock Signal Input Terminal
18
STB
I Strobe Signal Input Terminal
19
CLR
I Clear Signal Input Terminal
20 P1 O
21 P2
22 P3
23 P4
24 P5
25 P6 O
26 P7 O
27 P8 O
28 P9 O
29 P10 O
Parallel Conversion Data Output Terminals
30 V
DD
- Power Supply Terminal (2.4 to 5.5V)
P1
Shift Register
Controller Circuit
Latch Circuit
P2
P3
P23
P24
DAT
A
CL
K
STB
CLR
P11
1
2
3
4
5
6
7
8
9
10
11
12
13
14
15
30
29
28
27
26
25
24
23
22
21
20
19
18
17
16
V
DD
P10
P9
P8
P7
P6
P5
P4
P3
P2
P1
CLR
STB
CLK
DATA
P12
P13
P14
P15
P16
P17
V
SS
P18
P19
P20
P21
P22
P23
P24

Other manuals for Marantz SC-7S2

Related product manuals