EasyManua.ls Logo

Marantz SC-7S2 - Page 65

Marantz SC-7S2
81 pages
Print Icon
To Next Page IconTo Next Page
To Next Page IconTo Next Page
To Previous Page IconTo Previous Page
To Previous Page IconTo Previous Page
Loading...
77
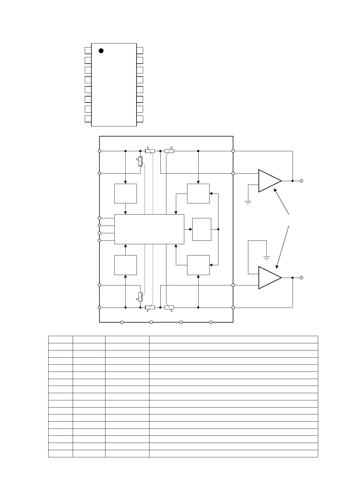
Q526/Q529 : WM8816
10
9
14
13
12
11
5
6
7
1
2
3
4
CCLK
DGND
RGND
RIN
RFO
AGND
RMO
DVDD
CSB
LGND
LIN
LFO
AVDD
LMO
8
15
16
MUTEB
DATA
PIN NAME TYPE DESCRIPTION
1
AVDD Supply Supply Voltage for Analogue Circuitry
2
LMO Analogue Output External Op-amp Inverting Input (Left Channel)
3
LFO Analogue Input External Op-amp Feedback Signal (Left Channel)
4
LIN Analogue Input Input Signal (Left Channel)
5
LGND Analogue Input Input Signal Ground (Left Channel)
6
CSB Digital Input Chip Select (active low)
7
DVDD Supply Supply Voltage for Digital Circuitry
8
MUTEB Digital Input Mute (active low)
9
DATA Digital In / Out Serial Interface Data Input / Output (tri-state)
10
CCLK Digital Input Serial Interface Clock
11
DGND Supply Digital Ground
12
RGND Analogue Input Input Signal Ground (Right Channel)
13
RIN Analogue Input Input Signal (Right Channel)
14
RFO Analogue Input External Op-amp Feedback Signal (Right Channel)
15
RMO Analogue Output External Op-amp Inverting Input (Right Channel)
16
AGND Supply Analogue Ground
Zero
Crossing
Detector
Zero
Crossing
Detector
Peak
Level
Detector
Peak
Level
Detector
CSB
MUTEB
DATA
CCLK
LGND
LIN
DAC
LFO
LMO
RIN
RGND
RFO
RMO
AVDD AGND DVDD DGND
+
-
+
-
LEFT OUT
RIGHT OUT
External Opamps
Control
WM8816

Other manuals for Marantz SC-7S2

Related product manuals