EasyManua.ls Logo

Marantz SM-80 - Schematic Diagram and Parts Location

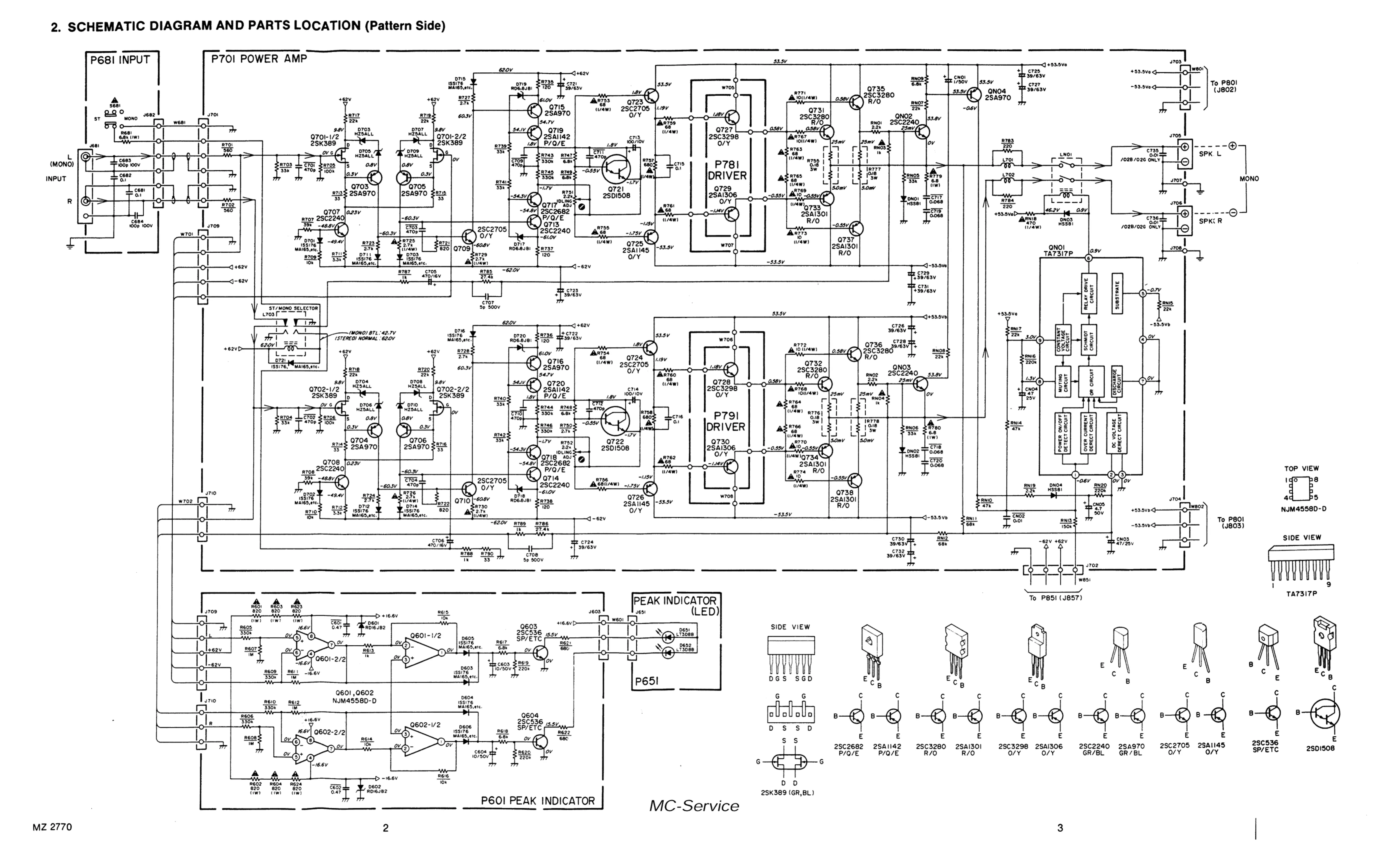
Marantz SM-80
14 pages
Print Icon
To Next Page IconTo Next Page
To Next Page IconTo Next Page
To Previous Page IconTo Previous Page
To Previous Page IconTo Previous Page
Loading...

Related product manuals