EasyManua.ls Logo

Marantz SR5002N1B - Page 59

Marantz SR5002N1B
122 pages
Print Icon
To Next Page IconTo Next Page
To Next Page IconTo Next Page
To Previous Page IconTo Previous Page
To Previous Page IconTo Previous Page
Loading...
81
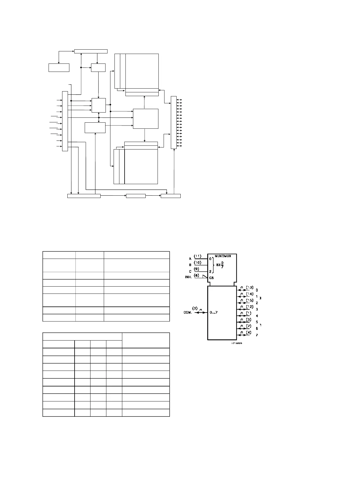
INPUT STATES
”ON” CHANNEL
INHIBIT C B A
LLLL 0
LLLH 1
LLHL 2
LLHH 3
LHLL 4
LHLH 5
LHHL 6
LHHH 7
H X X X NONE
X: DON’T CARE
PIN No SYMBOL NAME AND FUNCTION
3COM
OUT/IN
Common Output/input
6 INH INHIBIT Input
7V
EE
Negative Supply Voltage
11, 10, 9 A, B, C Select Inputs
13, 14, 15,
12, 1, 5, 2, 4
0 TO 7 Independent Input/Outputs
8 GND Ground (0V)
16 V
CC
Positive Supply Voltage
Column Addr.
Latch & Counter
Burst Length
Counter
Refresh
Interval Timer
Refresh
Counter
DQ0
DQ1
DQ2
DQ3
DQ4
DQ5
DQ6
DQ7
DQ8
DQ9
DQ10
DQ11
DQ12
DQ13
DQ14
DQ15
Address
Register
I/O ControlTest ModeMode Register
Self Refresh Counter
Column Decoder
Sense AMP & I/O gates
512Kx16
Bank 0
Column Decoder
Sense AMP & I/O gates
512Kx16
Bank 1
RAS
CAS
CS
WE
UDQM
LDQM
CKE
Precharge
Overflow
Column Active
Row Active
Address[0:10]
CLK
BA(A11)
State Machine
Row Decoder
Row Addr. Latch/Predecoder
Auto/Self Refresh
Ref. Addr.[0:11]
Data Input/Output Buffers
Row Addr. Latch/Predecoder
IC41 : 57V161610ET7
IC42 : M74HC4051RM

Related product manuals