EasyManua.ls Logo

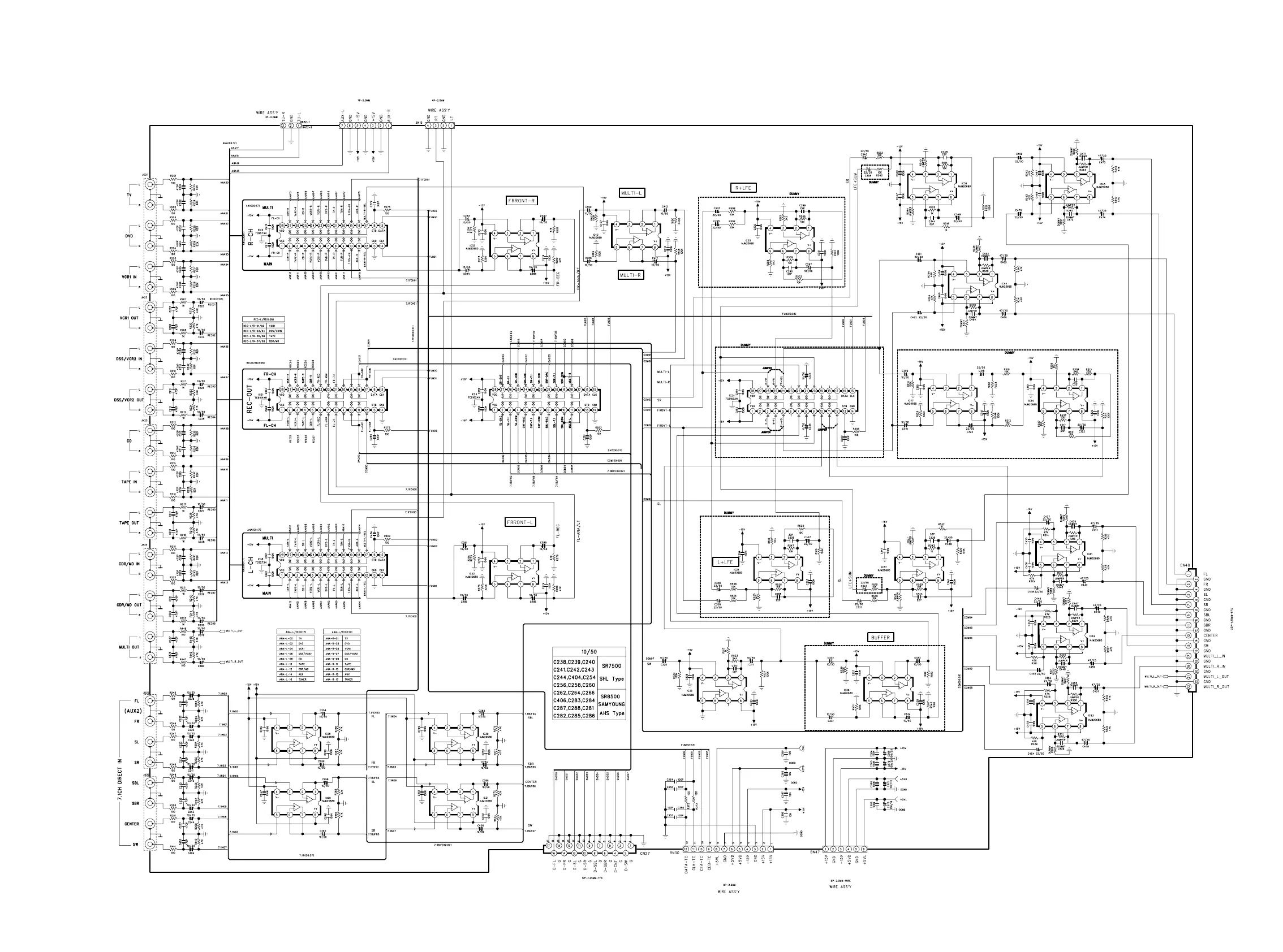
Marantz SR7500/A1B - Schematic Diagrams; Input PCB Schematic

Marantz SR7500/A1B
192 pages
Print Icon
To Next Page IconTo Next Page
To Next Page IconTo Next Page
To Previous Page IconTo Previous Page
To Previous Page IconTo Previous Page
Loading...
23 24
9. SCHEMATIC DIAGRAM
INPUT PCB
FROM DSP PCB (OTHER VERSION)
FROM TUNER PCB (F VERSION)
FROM AUX1 PCB FROM DSP PCB
CN11
FROM VOLUME PCB
FROM DSP PCB
FROM DSP PCB
FROM VOLUME PCB

Related product manuals