EasyManua.ls Logo

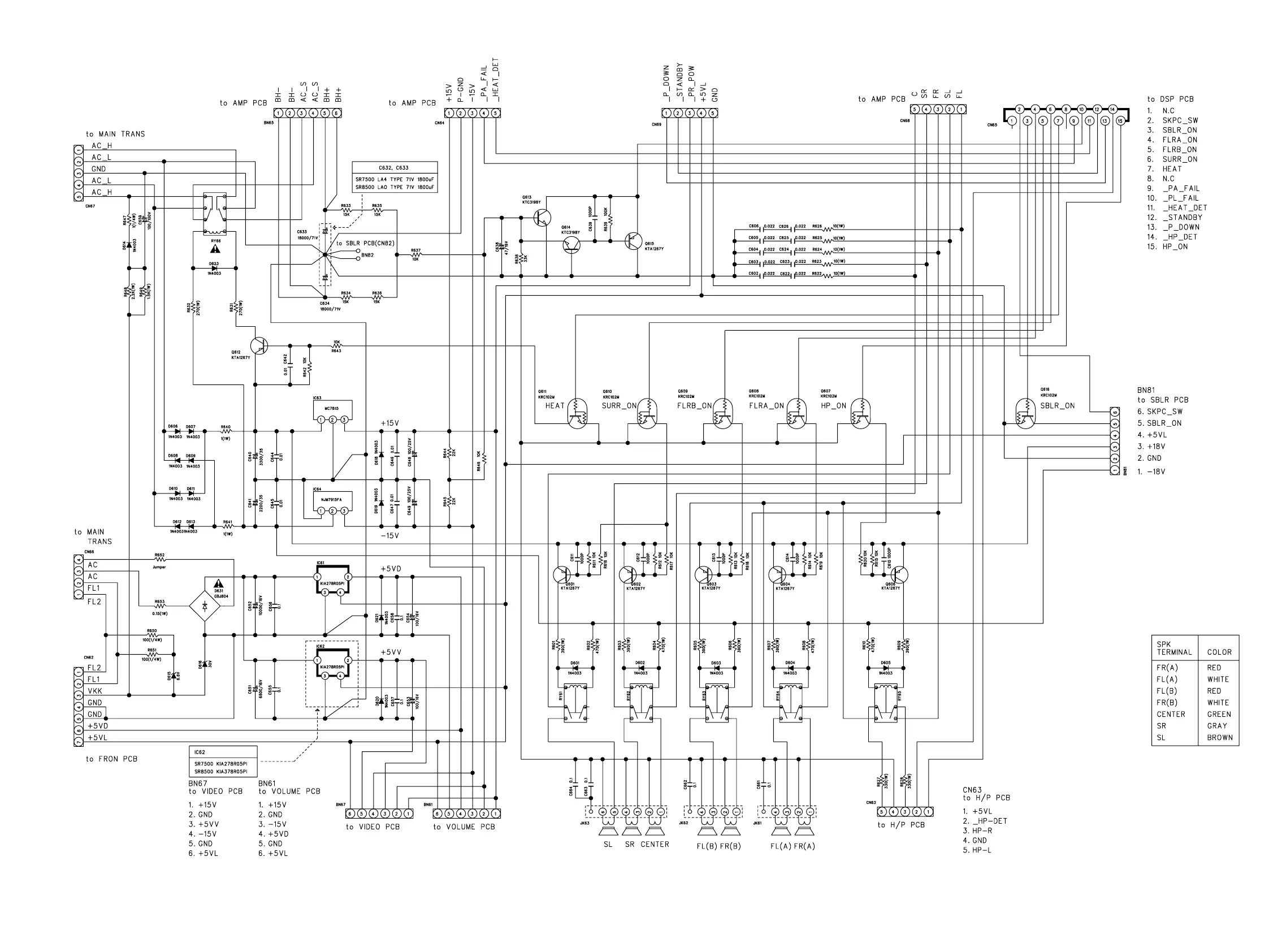
Marantz SR7500/A1B - Video PCB Schematic

Marantz SR7500/A1B
192 pages
Print Icon
To Next Page IconTo Next Page
To Next Page IconTo Next Page
To Previous Page IconTo Previous Page
To Previous Page IconTo Previous Page
Loading...
43 44
to
STANDBY
PCB
POWER PCB

Related product manuals