EasyManua.ls Logo

Marantz ST-40 - Page 5

Marantz ST-40
17 pages
Print Icon
To Next Page IconTo Next Page
To Next Page IconTo Next Page
To Previous Page IconTo Previous Page
To Previous Page IconTo Previous Page
Loading...
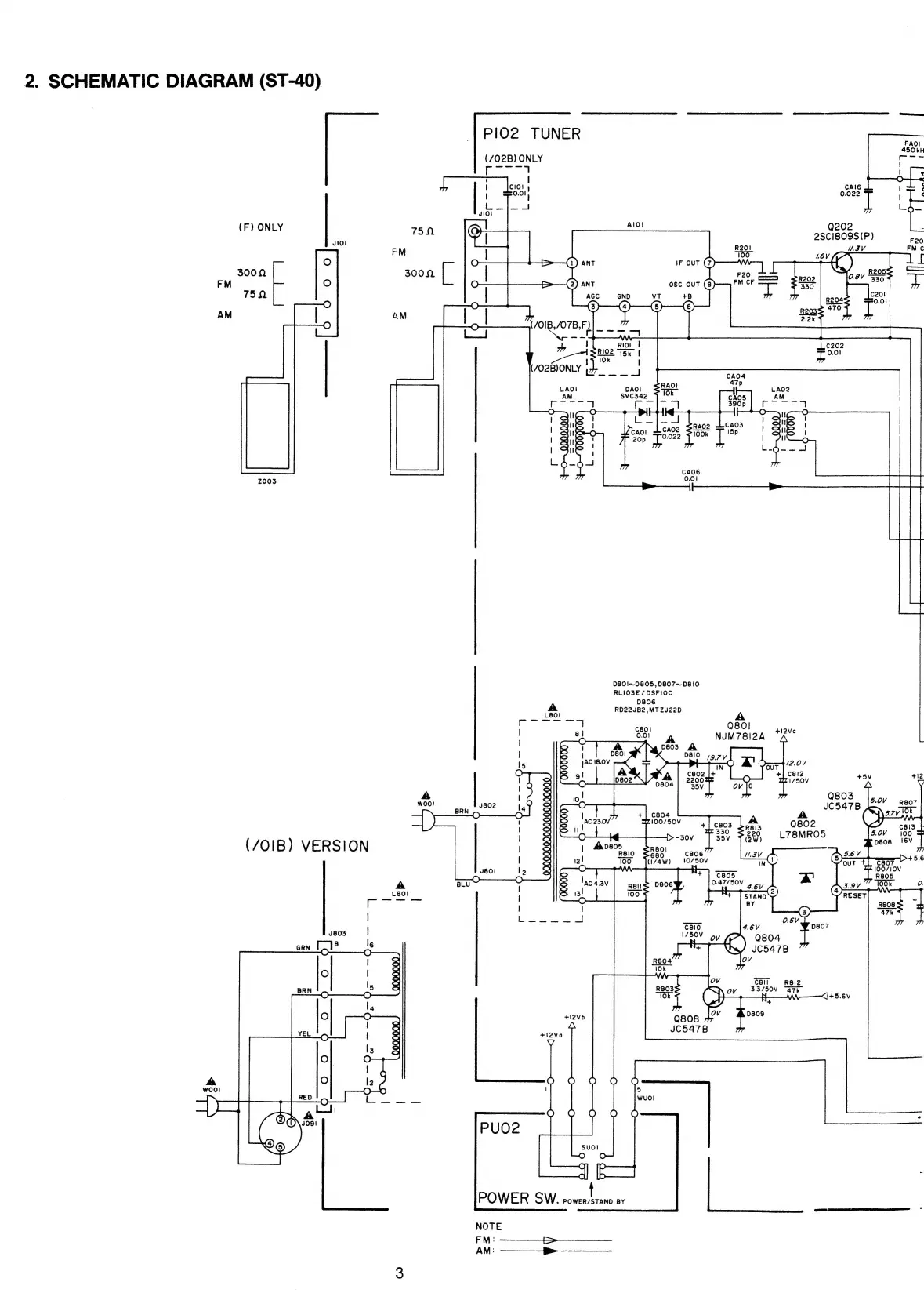
2.
SCHEMATIC
DIAGRAM
(ST-40)
PlO2
TUNER
(/02B)
ONLY
(F)
ONLY
utol
3000
FM
752
AM
J
=
R102
TSK
J
10k
(/O2B)ONLY
tr
Z003
D8O0!I~D805,0807~
D810
RLIOSE/DSFIOC
501
RO22UB2,MTZJ22D
066:
NUM7BI2ZA
7AY°
12.0V
Bilby
ty
tg
Q803
5.0V
J
.
RBO7
PONTS
Cap
aze
Q802
DS
cais
|.
L78MRO5
5.0V
100
&
psos_
=I6V
5.6V
ar
+]
c807
eee
GZ
100/10V
R805
3.9V_
100k
@)
Onecer
z
R808
7
47k
D807
Q804
JC5478
R803
=
Ee
we
“TOk”
re
t
Wh
i+
5.6V
Pee
Q808
Ov
L
D809
/\
Poy:
JC5478
V
POWER
SW.
ss
ocalass
BY
|
:
NOTE
FM:
————_>—_____
AM:
————_»______

Related product manuals