EasyManua.ls Logo

Marantz SW200 - Schematic Diagram and Parts Location

Marantz SW200
12 pages
Print Icon
To Next Page IconTo Next Page
To Next Page IconTo Next Page
To Previous Page IconTo Previous Page
To Previous Page IconTo Previous Page
Loading...
S
G
D
8765
4321
`3
`2
`1
6
8
13
15
1
2
4
5
9
10
12
14
7
11
3
3
2
1
8
5
6
7
8
5
6
7
4
3
2
1
4
3
2
1
8
5
6
7
4
3
2
1
8
5
6
7
4
3
2
1
8
5
6
7
8
5
6
7
4
3
2
1
3
2
1
6
5
4
3
2
1
4
3
2
1
ERROR
RELAY-O
SIGNAL
P-SENS
RELAY-P
LED RD
LED GN
VddGP5GP4
GP2 GP1 GP0 Vss
GP3
3
1
2
3
1
2
3
1
2
3
1
2
3
2
1
OI
3
4
2
15
6
7
8
1
2
-
+
7
4
5
6
3
1
2
3
1
2
3
1
2
-
+-
+
7
4
5
6
3
1
2
0V
R
L
0V
4
5
6
3
1
2
4
5
6
3
1
2
-
+
-
+
-
+
-
+
-
+
-
+
-
+
-
+
3
2
1
OI
3
1
2
1
2
3
1
2
3
1
2
3
1
2
3
1
2
3
21
IO
-
+
SUB P/T GND AMP IC GND
F501
T2.0AL 250V
SB 2.0A 250VJAPAN
F502
T1.0AL 250V
OTHERS
OTHERS
MAIN TRANSFORMER
STAND BY TRANSFORMER
AC220V AC100V
TO POWER SWITCH
-15V
R341
C302
Q302
R305
IC301
PN503
C311
VR202
IC302
C315
R304
D301
PN504
PN601
R316
C301
PN302
IC303
C322
R301
R302
SW101
C321
R129
VR201
C312
Q301
C205
PN502
F502
C506
Q101
R128
C109
R127
D102
D101
R126
IC101
C106
R121
R120
R122
R308
OJ100
RY501
PN201
R205
C114
C206
C203 C204
R204
PN501-2
PN501-3
IC201
C333
OJ200
C202
C334
IC102
R203
OJ201
CN201
SW601
T301
Q303
R317
R117
R119
JK102
ZD501
R502
R501
C303
D502
R118
C502
T501
D305
R342 R340
C328
R315
F501
R303
CN101
PN101
C323
C329
C331
R306
C111
R309
R307
R130
C112
R350 R351
R201
R352
D306
C330
C307
C313
R314
C310
R312
D307
RY301
R503
C306
C308
R311
C314
R313
C309
R504
C503
D503
Q501
R505
R318
IC306
R319
R321
R320
C316
C304
C305
R310
C317
R322
IC306
R327
C318
R326
R328
Q304
R325
C319
R323
R324
IC307
IC307
IC308
IC308
R329
R330
R332
R331
R333
D302
R336
D303
R337
R334R335
R338
D304
R339
C320
R104
C105
R110
R108
R109
C107
R105
C326
C327
C504
R115
R106
IC102
R111R112
C102
R125
R101
D501
R124
R357
Q306
R103
Q308
LED201
R123
Q305
R202
Q307
IC201
R343
C110
R353
C335
VR202
R356
R354
C336
C113
IC304
R355
ZD301
C324
ZD302
PN501-1
R107
ZD303
C339
R116
C337
PN301
C338
R113
C340
PN702
C201
PN701-1PN701-2
SW701
R131
PN701-3
R132
C115
ZD304
C116C117C118
C601
IC305
C103
R102
R114
C104
C108
IC101
C101
C325
C505
JK101
P-SWITCH
P-CORD
6.2V 1W6.2V 1W
6.2V 1W6.2V 1W
18K(1/4W)
47/50
C3198
68k
PIC12C508A-04/P
102(C)
10KC
STK4036
0.1(M)
100K
1N4148
68(1/4)
220/16
KIA78S05P
100/16
10K
10K
100/16
100k(1/4W)
5KA
100P(C)
C3198
10/50
1.0A/250V 0.0047/250V
C3198
47K
100/10
1K
1N4148
1N4148
3.3K
4558
10/25
47K
470K
100K
1K
DG12D1(12VDC)
56K
0.047(C)
10/50
0.15(M) 0.15(M)
18K
4558
10/50
0.18(M)
0.01(M)
4558
3.3K
C3198
4.7(1W)
4.7K
47K
5.1V
4.7K
10K
100/16
1N4148
47K
10/50
PBS404GU
18K(1/4W)
18K(1/4W)
4700/50
10K
2.0A/250V
10K
0.47(M)
4700/50
0.047(M)
470
10/50
3.3K
470
47
47/16
1K(1/4W) 1K(1/4W)
100
68(1/4W)
1N4148
0.047(M)
100P(C)
1/50
100K
0.0039(M)
10K
1N4148
DG12D1(12VDC)
3.3k
100/50
10/50
100(1/4W)
10/50
100(1/4W)
100/50
2.2(1/4W)
1000/25
1N4148
C3198
10K
0.1(5W)
4558
9.1K
6.8k
6.8k
220P(C)
222(C)
0.01(M)
100
0.47(M)
100k
4558
9.1K
100P(C)
56k
10k
2SK315F
150K
0.1(M)
1M
100k
4558
4558
45584558
3.9k
6.8k
10k
1k
8.2K
1N4148
8.2K
1N4148
8.2K
8.2K
8.2K
22K
1N4148
220K
10/50
2.7M
0.01(M)
100K
3.9K
2.7M
47/16
100K
10/50
10/50
0.01(M)
3.3K
100K
4558
100K100K
220P(C)
56K
3.9K
KBPM06G
100
10
C3198
2.2K
C3198
SAM3270
470
A1266
3.3K
A1266
4558
18K(1/4W)
10/50
100K
47/16
10KC
470
100K
47/16
10/50
7815
470
1N4735
220/16
1N4735
2.2K
1N4735
0.1(C)
3.3K
0.1(C)
0.1(C)
12K
0.047(C)
0.68(M)
1K
1K
0.01(C)
1N4735
0.01(C)0.01(C)0.01(C)
0.0047/250V
7915
10/25
100K
12K
10/50
10/50
4558
220P(C)
220/16
0.01(M)
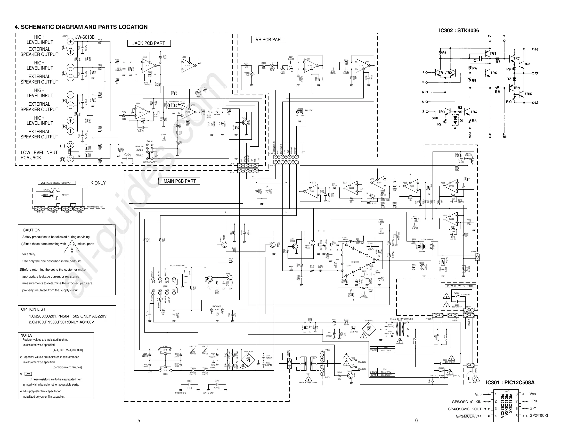
LOW LEVEL INPUT
HIGH
HIGH
HIGH
HIGH
LEVEL INPUT
LEVEL INPUT
LEVEL INPUT
LEVEL INPUT
(L)
(L)
(L)
(R)
(R)
(R)
K ONLY
EXTERNAL
EXTERNAL
EXTERNAL
EXTERNAL
SPEAKER OUTPUT
SPEAKER OUTPUT
SPEAKER OUTPUT
SPEAKER OUTPUT
RCA JACK
MAIN PCB PART
VR PCB PART
JACK PCB PART
AUTO STANDBY
POWER SWITCH PART
SIGNAL
-15V
-15V
GND
GND
+15V
+15V
MAIN SIG.
LED RD
LED GN
JW-6018B
REDGN
MAIN SIG.OUT
MAIN SIG.IN
+5V
OFF(1-2)
LOW(2-3)
HIGH(2-4)
OPTION LIST
2.OJ100,PN503,F501:ONLY AC100V
1.Resistor values are indicated in ohms
unless otherwise specified
unless otherwise specified
[k=1,000 M=1,000,000]
[p=micro-micro farades]
3.
:These resistors are to be segregated from
printed wiring board or other accessible parts.
Safety precaution to be followed during servicing
1]Since those parts marking with critical parts
for safety.
2]Before returning the set to the customer make
appropriate leakage current or resistance
measurements to determine the exposed parts are
properly insulated from the supply circuit.
Use only the one described in the parts list.
CAUTION
NOTES
4.(M)is polyester film capacitor or
metallized polyester film capacitor.
2.Capacitor values are indicated in microfarades
VOLTAGE SELECTOR PART
1.OJ200,OJ201,PN504,F502:ONLY AC220V
4. SCHEMATIC DIAGRAM AND PARTS LOCATION
5
6
8
7
6
5
1
2
3
4
V
DD
GP5/OSC1/CLKIN
GP4/OSC2/CLKOUT
GP3/MCLR
/V
PP
V
SS
GP0
GP1
GP2/T0CKI
PIC12C5XX
PIC12C5XXA
PIC12CE5XXA
IC302 : STK4036
IC301 : PIC12C508A
All manuals and user guides at all-guides.com
all-guides.com