EasyManua.ls Logo

Mark ERV Series - Page 127

Mark ERV Series
160 pages
Print Icon
To Next Page IconTo Next Page
To Next Page IconTo Next Page
To Previous Page IconTo Previous Page
To Previous Page IconTo Previous Page
Loading...
127
NL
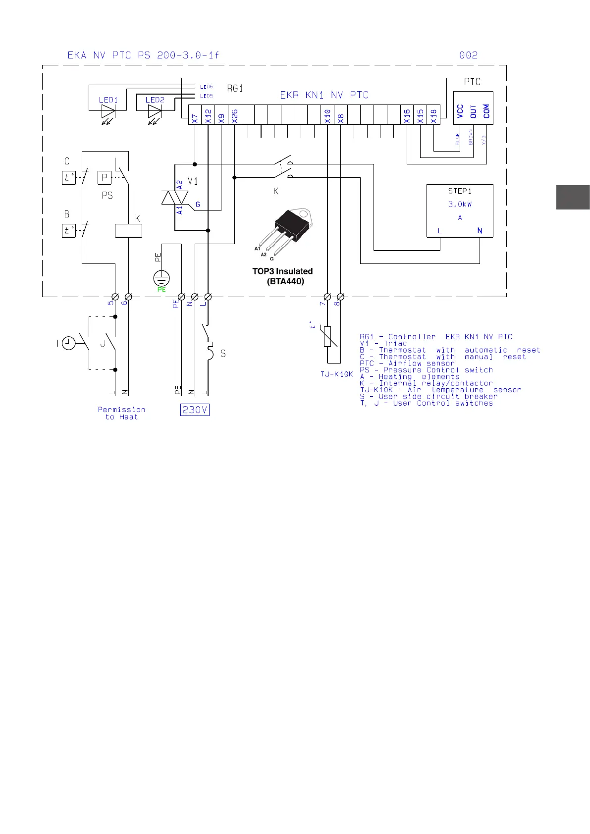
Elektrisch schema 5997462 - Elektrische kanaalverwarmer 3.0 kW voor ERV 2000
1 2 3 4 5 6 7 8

Related product manuals