EasyManua.ls Logo

Mark ERV Series - Page 158

Mark ERV Series
160 pages
Print Icon
To Next Page IconTo Next Page
To Next Page IconTo Next Page
To Previous Page IconTo Previous Page
To Previous Page IconTo Previous Page
Loading...
158
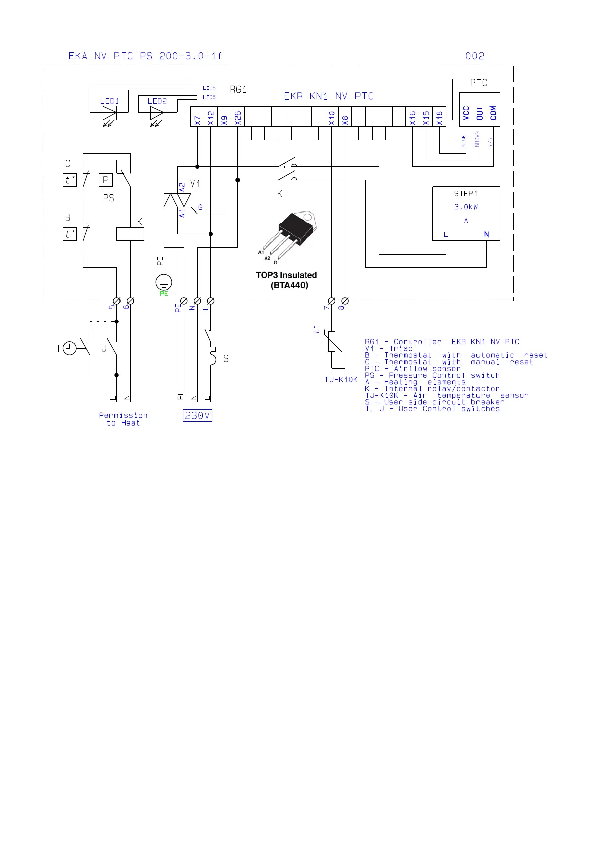
Scheme electrice 5997462 - Incalzitoare electrice de tubulatura 3.0 kW ERV 2000
1 2 3 4 5 6 7 8

Related product manuals