EasyManua.ls Logo

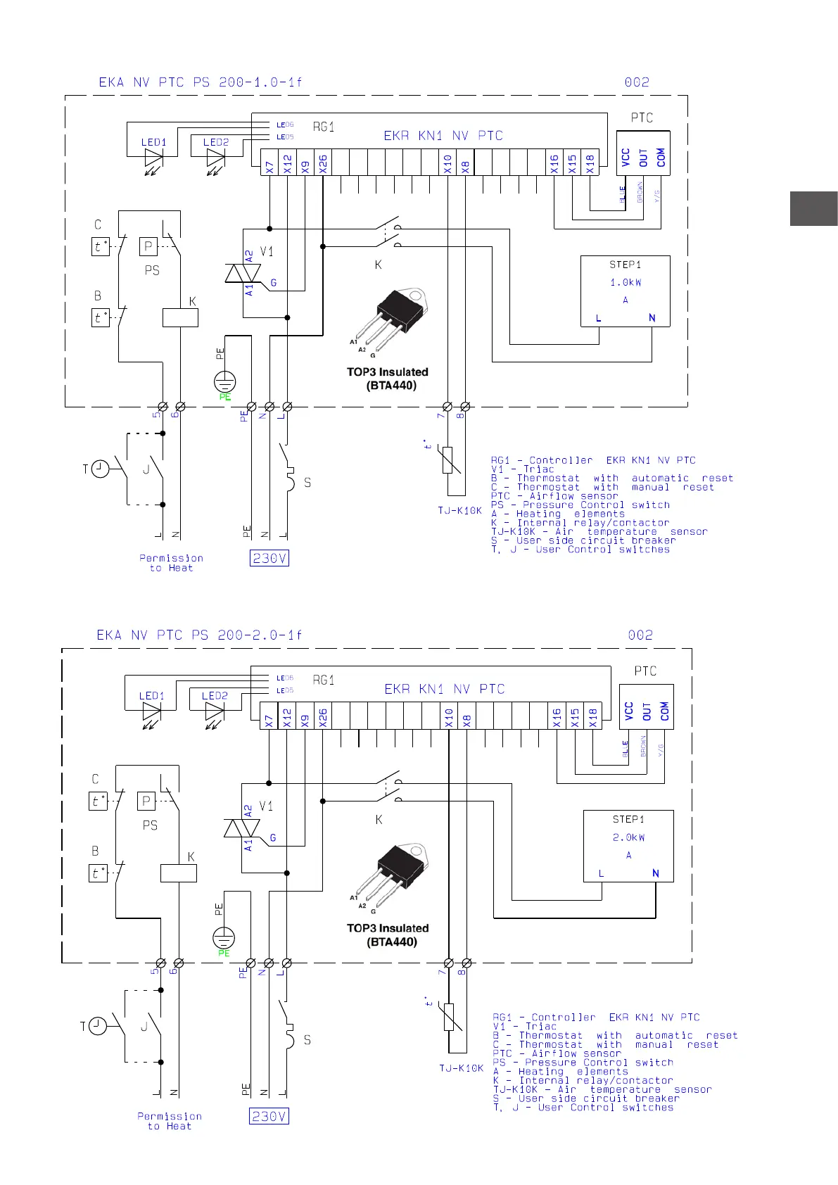
Mark ERV Series - Electric Duct Heater Diagrams; 1.0 kW Heater Diagram (ERV 500); 2.0 kW Heater Diagram (ERV 1000)

Mark ERV Series
160 pages
Print Icon
To Next Page IconTo Next Page
To Next Page IconTo Next Page
To Previous Page IconTo Previous Page
To Previous Page IconTo Previous Page
Loading...
31
EN
Electrical diagram 5997460 - Electric duct heater 1.0 kW for ERV 500
Electrical diagram 5997461 - Electric duct heater 2.0 kW for ERV 1000
1 2 3 4 5 6 7 8
1 2 3 4 5 6 7 8

Related product manuals