EasyManua.ls Logo

Mark ERV Series - Page 62

Mark ERV Series
160 pages
Print Icon
To Next Page IconTo Next Page
To Next Page IconTo Next Page
To Previous Page IconTo Previous Page
To Previous Page IconTo Previous Page
Loading...
62
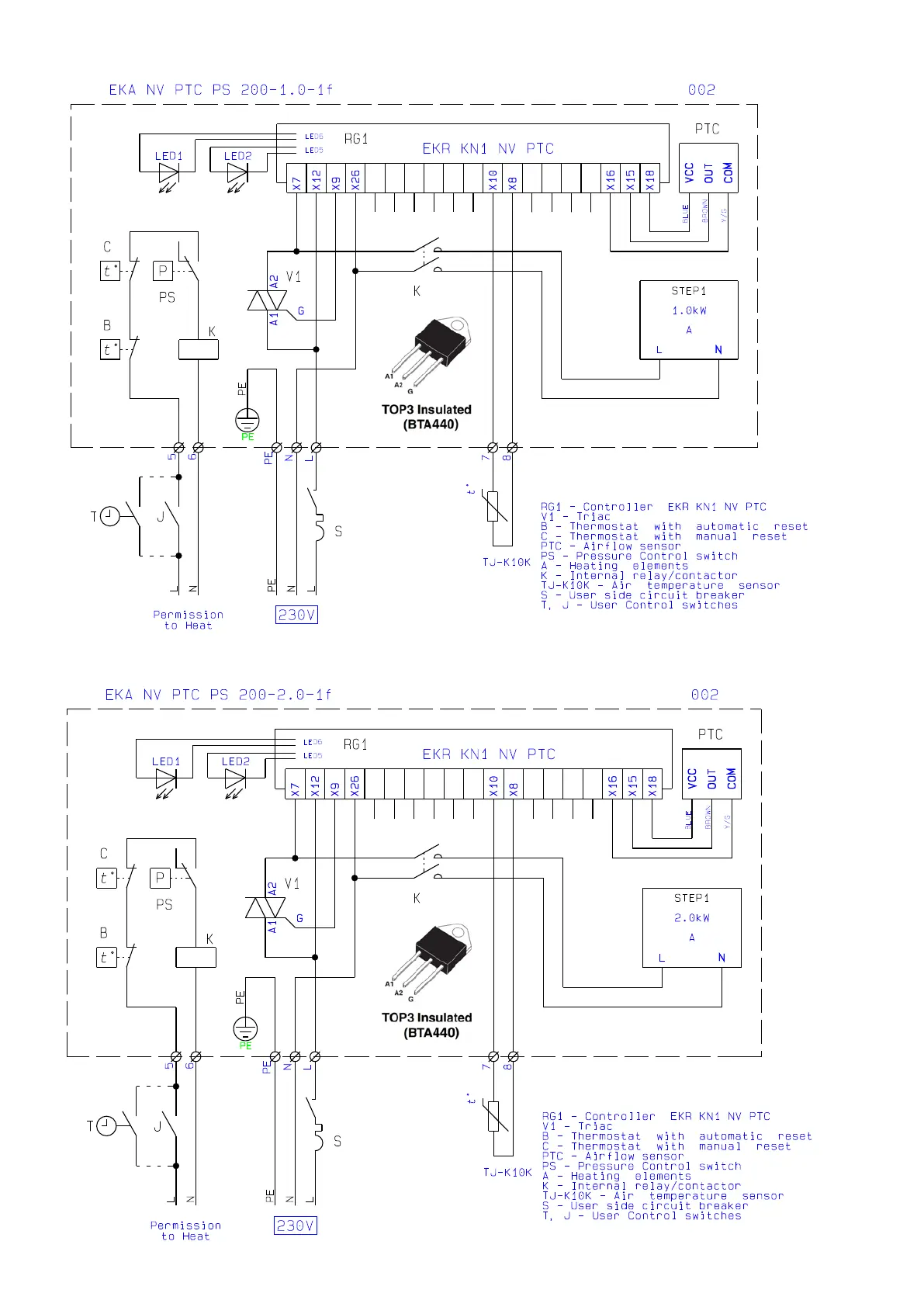
elektrisches Diagramm 5997460 - elektrisches Heizregister 1.0 kW für ERV 500
elektrisches Diagramm 5997461 - elektrisches Heizregister 2.0 kW für ERV 1000
1 2 3 4 5 6 7 8
1 2 3 4 5 6 7 8

Related product manuals