EasyManua.ls Logo

Mark ERV Series - Page 95

Mark ERV Series
160 pages
Print Icon
To Next Page IconTo Next Page
To Next Page IconTo Next Page
To Previous Page IconTo Previous Page
To Previous Page IconTo Previous Page
Loading...
FR
95
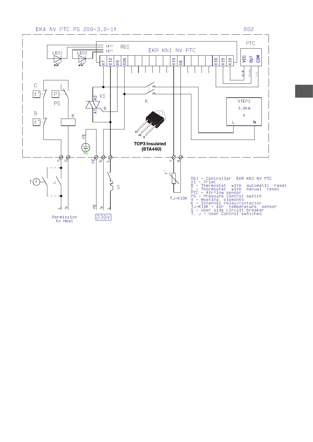
Schéma de câblage 5997462 - Réchauffeur de gaine électrique 3.0 kW pour ERV 2000
1 2 3 4 5 6 7 8

Related product manuals