EasyManua.ls Logo

Marklin Digital 60175 - Boosterens Display; Drift

Marklin Digital 60175
Print Icon
To Next Page IconTo Next Page
To Next Page IconTo Next Page
To Previous Page IconTo Previous Page
To Previous Page IconTo Previous Page
Loading...
33
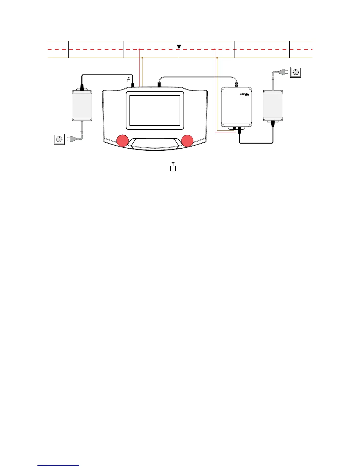
Hvis du vil anvende yderligere boostere med Central Station, kan du forbinde termi-
nal 60125/60145 med Central Station og tilslutte op til fire boostere til hver terminal.
4 Boosterens display
På booster 60175 er der ved tilslutningsbøsningerne en rød lysdiode (LED), der viser
boosterens forskellige tilstande.
LED fra Boosteren modtager ingen strøm fra DC-DC-omformeren/trans-
formatoren.
Boosteren er (blevet) sat på STOP.
Boosteren modtager intet signal fra Central Station.
LED lyser klart
Boosteren modtager strøm fra DC-DC-omformeren/transforma-
toren. Sporet forsynes korrekt.
Der udlæses en lokomotivdekoder over boosteren.
LED lyser svagt Boosteren arbejder korrekt. LED‘s lysstyrke aftager ved stigende
belastning af boosteren.
5 Drift
Når boosteren bliver tændt, varer det nogle sekunder, før den røde LED lyser. Så er
boosteren klar til brug. Under drift af boosteren lyser LED lyst i forskellig grad alt efter
situationen og bekræfter, at den fungerer korrekt.
Booster 60175 angiver forskellige data, såsom strømforbrug og temperaturen i apparatet,
til Central Station. Den viser værdierne under „Setup, Info“.
B
B
B
0 0
0
booster