EasyManua.ls Logo

Marklin Digital 66955 - Page 88

Default Icon
Print Icon
To Next Page IconTo Next Page
To Next Page IconTo Next Page
To Previous Page IconTo Previous Page
To Previous Page IconTo Previous Page
Loading...
16
Keuze
bevestigen
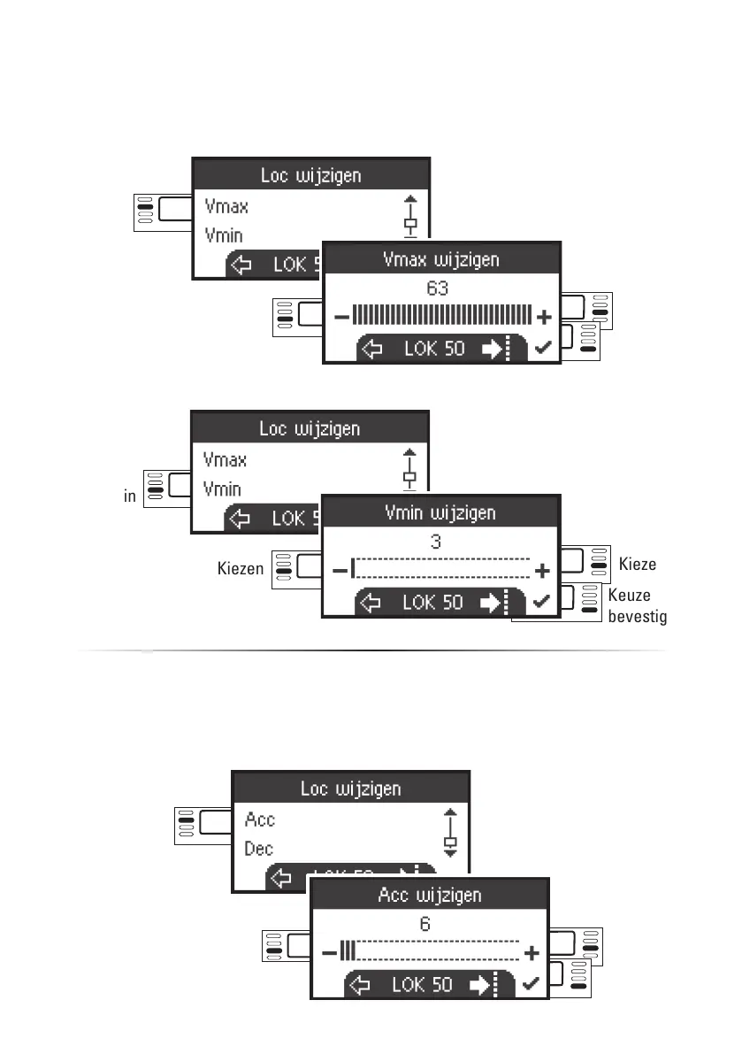
Kies:
Vmax
Kiezen
Kiezen
Keuze
bevestigen
Kies:
Vmin
Kiezen
Kiezen
Keuze beve-
stigen
Kies: ACC
Optrekvertraging
Kiezen
Kiezen
Optrekvertraging / Afremvertraging
Controleer a.u.b. in de gebruiksaanwijzing van de loc of deze instellingen uitgevoerd kunnen
worden.
Maximumsnelheid / Minimumsnelheid
Controleer a.u.b. in de gebruiksaanwijzing van de loc of deze instellingen uitgevoerd kun-
nen worden.
Vmax (Maximumsnelheid)
Vmin (Minimumsnelheid)
Acc (Optrekvertraging)

Table of Contents

Related product manuals