EasyManua.ls Logo

Marksa CSW 900 - Operation; Basic Schematic

Default Icon
100 pages
Print Icon
To Next Page IconTo Next Page
To Next Page IconTo Next Page
To Previous Page IconTo Previous Page
To Previous Page IconTo Previous Page
Loading...
Technical Notice V1.0 / 01.09 Page 17 / 100
Generalities 2
2.3 Operation
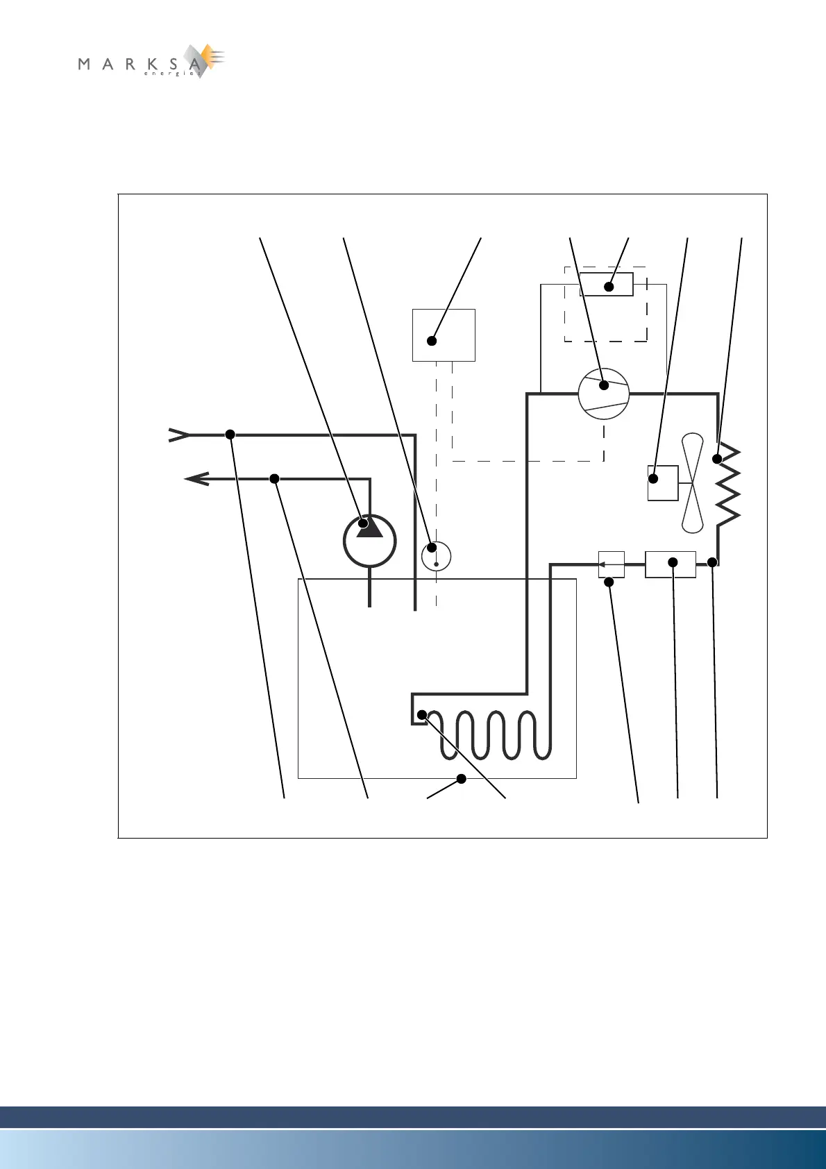
2.3.1 Basic schematic
2.3.1.1 Direct cooling of the tank
Fig. 2-1 : Basic schematic
TH
BP - HP
(7)(6)(4)(3)(2)(1)
(8) (9) (10) (11) (12) (14)(13)
(5)

Table of Contents

Related product manuals