EasyManua.ls Logo

Marksa CSW 900 - Circuit Deau Sous Pression (P); 12.13.1 Description of the Option; 12.13.2 Maintenance; 12.13.3 Breakdowns

Default Icon
100 pages
Print Icon
To Next Page IconTo Next Page
To Next Page IconTo Next Page
To Previous Page IconTo Previous Page
To Previous Page IconTo Previous Page
Loading...
Technical Notice V1.0 / 01.09 Page 85 / 100
Options 12
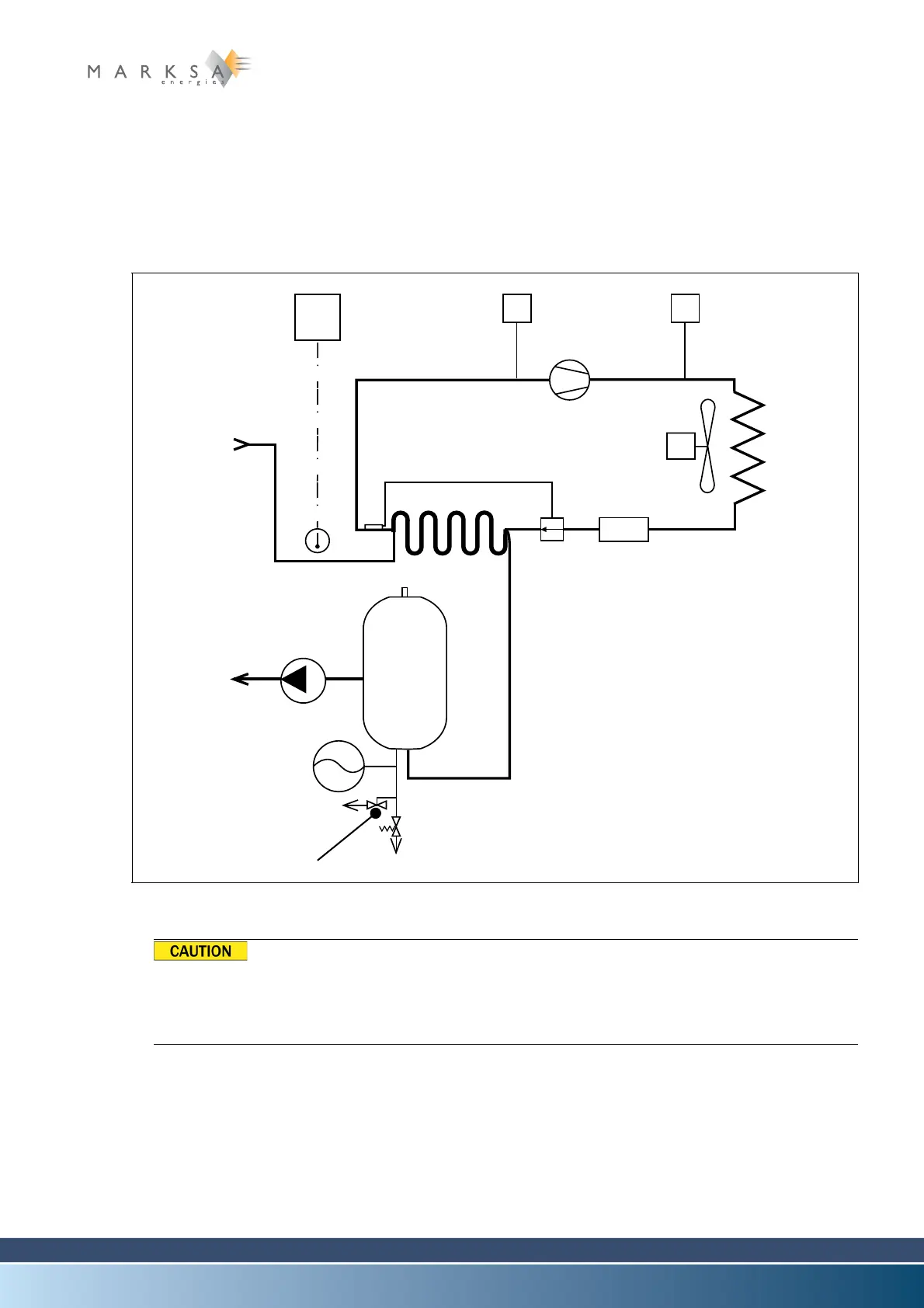
12.13 Circuit d’eau sous pression (P)
12.13.1 Description of the option
The customer's circuit is pressurised (several bars).
12.13.2 Maintenance
Maintenance and required checking are reduced.
The circuit is pressurised. Eliminate the pressure before any intervention on the customer's coo-
ling circuit:
Open the drainage tap (1) and check the manometer until zero pressure is obtained.
12.13.3 Breakdowns
Consult a specialist for any intervention.
Fig. 12-9 : Basic schematic
HP
BP
TH
(1)

Table of Contents

Related product manuals