EasyManua.ls Logo

Marksa CSW 900 - Hot Gas Bypass (G); Description of the Option

Default Icon
100 pages
Print Icon
To Next Page IconTo Next Page
To Next Page IconTo Next Page
To Previous Page IconTo Previous Page
To Previous Page IconTo Previous Page
Loading...
Technical Notice V1.0 / 01.09 Page 79 / 100
Options 12
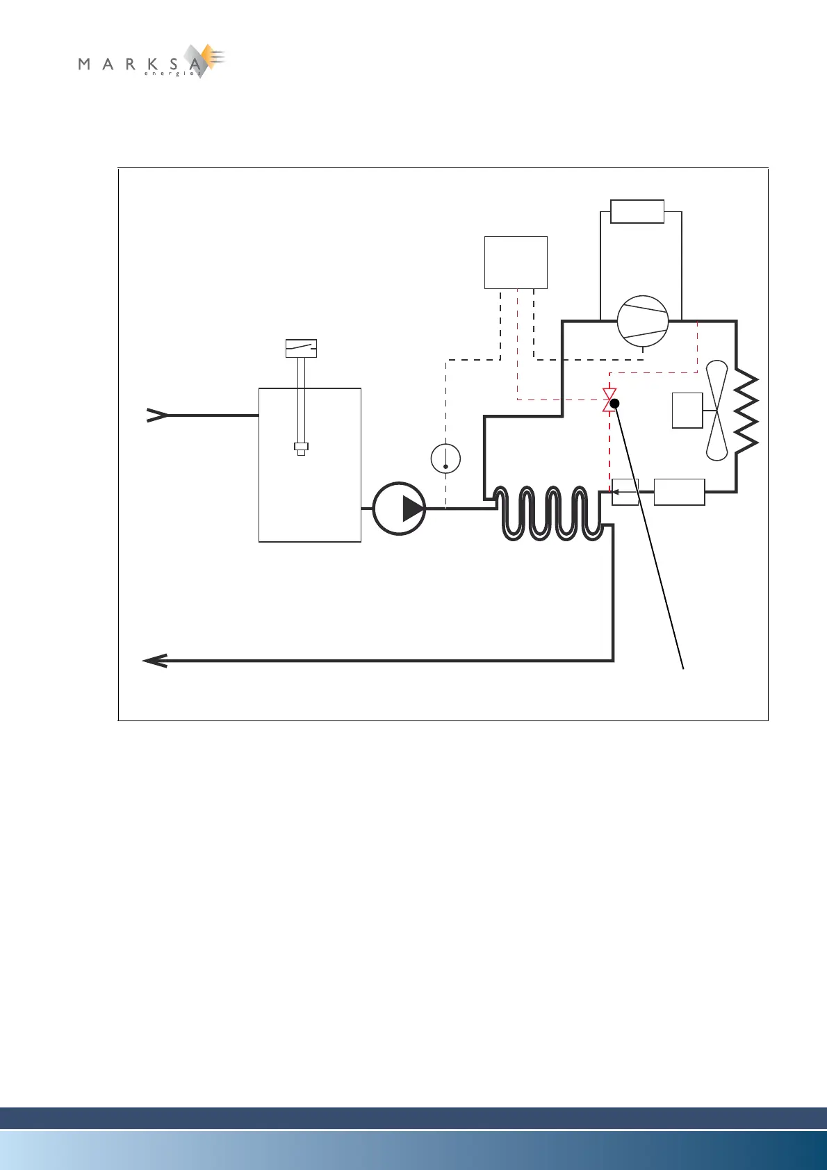
12.7 Hot gas bypass (G)
12.7.1 Description of the option
The hot gas bypass option makes it possible to precisely maintain the liquid temperature by eliminating
disruptive starting up and powering down of the compressor.
Precision in the order of ± 0.1°C is possible with the addition of an Omron thermostat.
Fig. 12-4 : Basic schematic
TH
BP - HP
(1)

Table of Contents

Related product manuals