EasyManua.ls Logo

Marksman M7a - Wiring Diagram

Marksman M7a
28 pages
Print Icon
To Previous Page IconTo Previous Page
To Previous Page IconTo Previous Page
Loading...
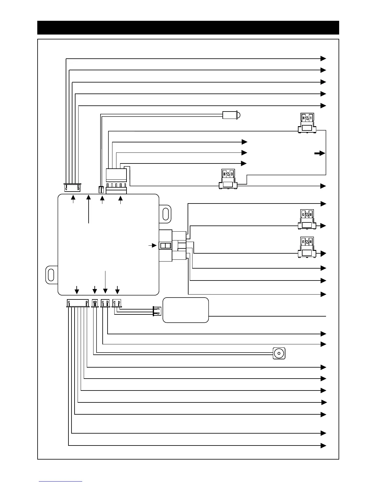
Wiring Diagram
White Wire: Parking Light Relay Output
Black Wire: Ground To Vehicle Frame
Brown Wire: Positive Output to Siren
Red Wire: +12V Input
White/Violet Wire: (+) Positive Safety Shut Down For Brake Input
Black/White Wire: (-) Neutral Safety Switch Input & (-) Remote Start Toggle Switch
Important Note: Directly connect wire to "Ground" when this wire is not used.
White/Red Wire: (+) Tachometer Input
Blue Wire: (-) Unlock Pulse or (+) Lock Pulse
Green Wire: (-) Lock Pulse or (+)Unlock Pulse
Blue Wire: Instant Trigger (-) Ground Input
Green Wire: (-) Negative Door Pin Trigger Input
Violet Wire: (+) Positive Door Pin Trigger Input
White/Black Wire: (-) Negative Safety Shut Down For Hood Pin Switch Input
Valet Switch
Violet Wire: Starter Output
Brown Wire: ACC / Heater Output
Red Wire: +12 V Input (Battery)
Red Wire: +12 V Input (Battery)
Yellow Wire: Ignition 1 Output (Must Connect)
Pink Wire: Ignition 2 Output
LED Indicator
20A
20A
15A
3A
Red/White Wire: Parking Light Relay Power Input + or - selectable
Red Wire:
7-Pin
Black
2-Pin
Blue
3-Pin
Black
3-Pin
White
6-Pin
White
5-Pin
White
2-Pin
White
4-Pin Shock
Sensor Port
5-Pin
White
Windshield
Receiver/Antenna
Module
Gray Wire: (-) 200mA, Channel 2 Output
Pink Wire: (-) 200mA Programmable Output (See Wiring for More Information)
White Wire: (-) 200mA Programmable Output (See Wiring for More Information)
Yellow Wire: (-) 200mA Ignition 3 Control Output
Orange Wire: (-) 500mA Grounded Output when Armed
Cut this Wire and
Ground it for Ground
Trigger Parking Lights
M7A-IM 6-22-06 Rev. C
© Copyright 2004 Magnadyne Corporation
M7A-IM 6/22/06 4:53 PM Page 28

Other manuals for Marksman M7a

Related product manuals