EasyManua.ls Logo

Masseuse Ultimate Chiro - Troubleshooting: Airbag Function Abnormalities - Valve Issues; Airbag Inflation Fault Resolution; Air Pump and Valve Interaction

Masseuse Ultimate Chiro
31 pages
Print Icon
To Next Page IconTo Next Page
To Next Page IconTo Next Page
To Previous Page IconTo Previous Page
To Previous Page IconTo Previous Page
Loading...
1.Single airbag doesn’t deflate
1) The air pipe is folded course the air doesn’t deflate, please unfold the air pipe.
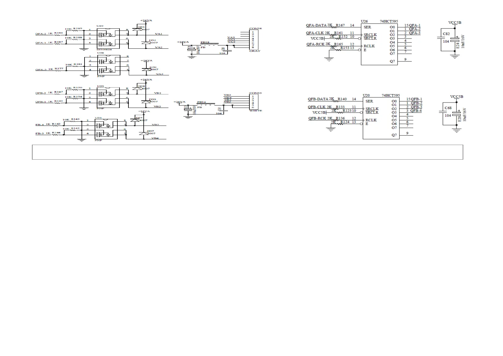
2) the “SIN4828” patch field tube or other “74H595” patch integration badness, which are controls the valves,
repair or change the mother board can solve the problem
the relations of air pump and valves between the airbag massage function
The air sources if getting from the air pump, which works after get AC24V power from the mother board, then the
mother board controls each group of valves to turn on and cut off, according to the program inflate or deflate to get
massage effect. So when find the airbag doesn’t work, first find out if it is the air pump courses the problem, or the
valves don’t work courses the problem. Normally it is noisy or vibrative when air pump works, listening or touching
the air pump can feel if it is work correctly. The valves work sounds “pipi papa” when inflate or deflate, so you can find
out if the valves working or not through the sounds.
Picture 24 valves driving circuit diagram

Related product manuals