EasyManua.ls Logo

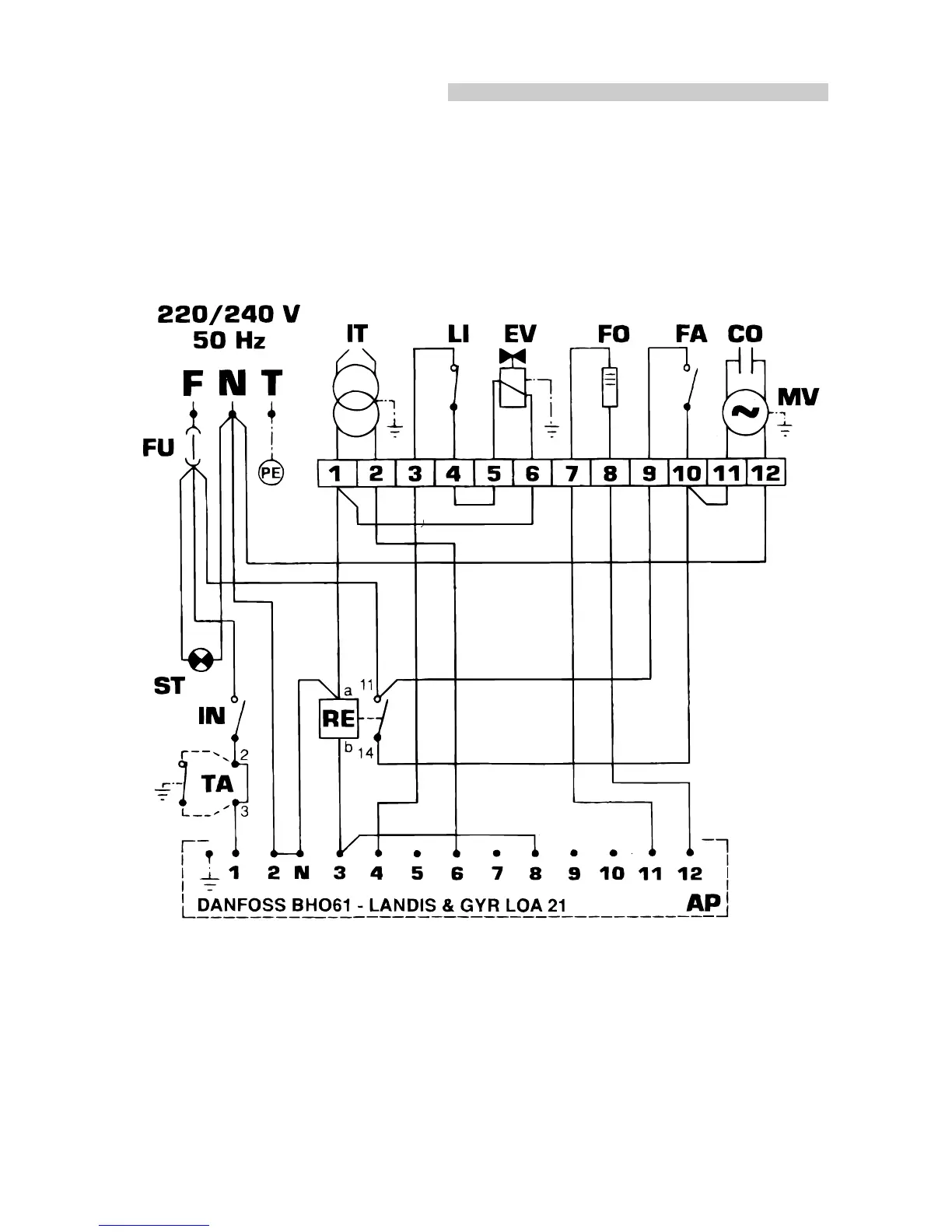
Master BV 100E - Wiring Diagram

Master BV 100E
17 pages
Print Icon
To Next Page IconTo Next Page
To Next Page IconTo Next Page
To Previous Page IconTo Previous Page
To Previous Page IconTo Previous Page
Loading...
BV100E-BV160E-BV280E
55

Other manuals for Master BV 100E

Related product manuals