EasyManua.ls Logo

Master BV 100E - Burner Adjustment

Master BV 100E
17 pages
Print Icon
To Next Page IconTo Next Page
To Next Page IconTo Next Page
To Previous Page IconTo Previous Page
To Previous Page IconTo Previous Page
Loading...
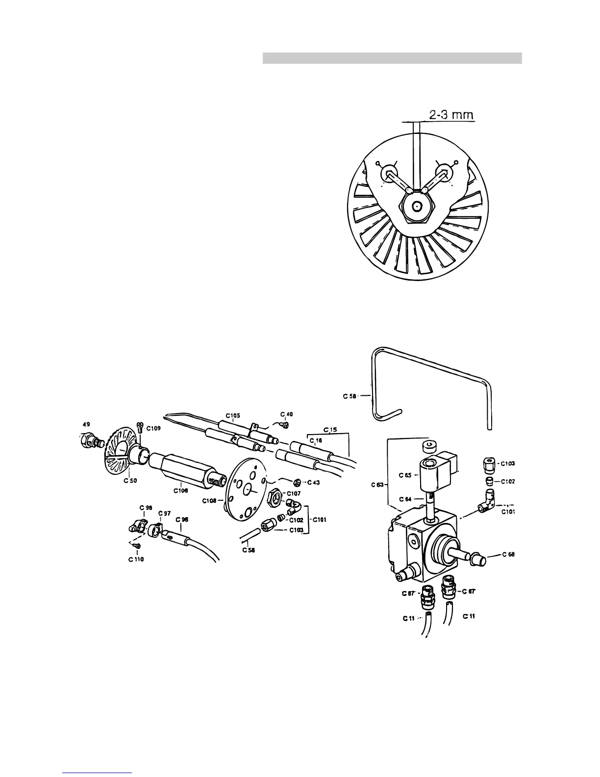
Brander afstelling
Reglage des electrodes
Brenner Einstellung
Burner adjustment
BV 100 E
BV 160 E
BV 280 E
BV 100E - 160E - 280E
61

Other manuals for Master BV 100E

Related product manuals