EasyManua.ls Logo

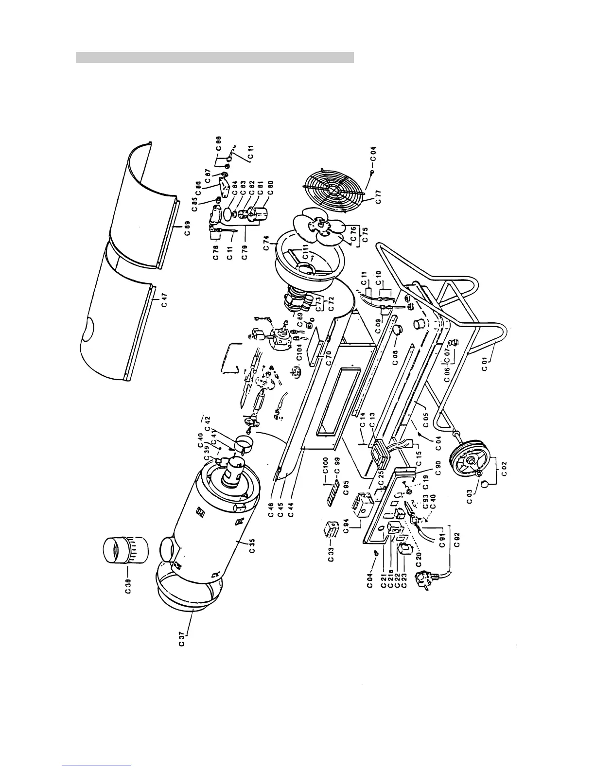
Master BV 100E - Exploded View

Master BV 100E
17 pages
Print Icon
To Next Page IconTo Next Page
To Next Page IconTo Next Page
To Previous Page IconTo Previous Page
To Previous Page IconTo Previous Page
Loading...
BV 100E-160E-280E
BV 100 E
BV 160 E
BV 280 E
60

Other manuals for Master BV 100E

Related product manuals