EasyManua.ls Logo

Mastervolt Chargemaster 24/60-3

Mastervolt Chargemaster 24/60-3
34 pages
To Next Page IconTo Next Page
To Next Page IconTo Next Page
To Previous Page IconTo Previous Page
To Previous Page IconTo Previous Page
Loading...
INST
ALLATION
17
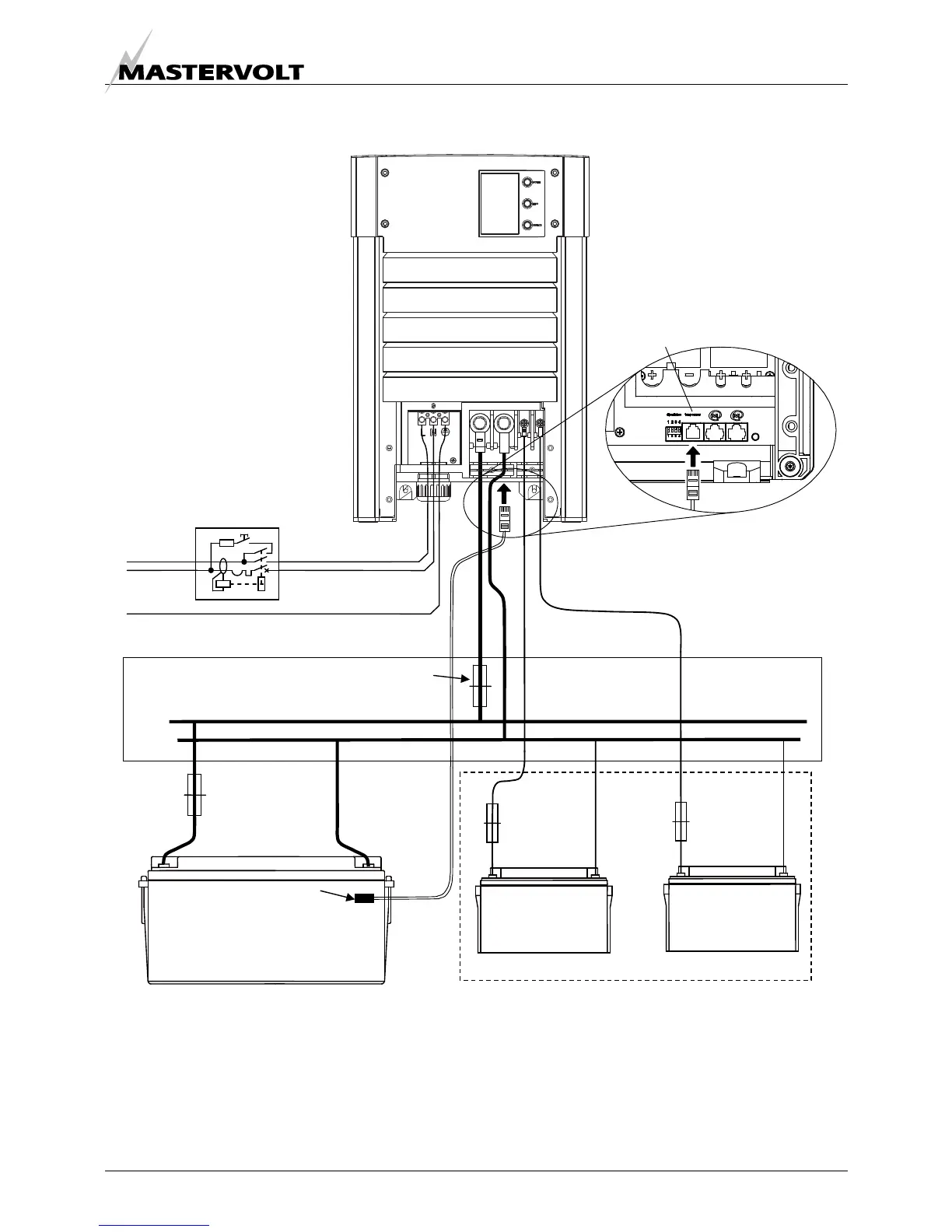
T
his schematic is to illustrate the general placement of the Chargemaster in a circuit. It is not meant to
provide detailed wiring instructions for any particular electrical installation.
Figure 7: installation drawing of the Chargemaster
Battery
fuse
Charger fuse
L
+
DC distribution
Temperature sensor
RCD 30mA
OPTIONAL
N
PE/GND
POSITIVE (+)
BATTERY BANK 1
(main battery bank)
BATTERY
BANK 2
BATTERY
BANK 3
“temp.sensor
NEGATIVE (–)
Battery
fuse
Battery
fuse

Table of Contents

Related product manuals