EasyManua.ls Logo

Mastervolt MASS 12/60-2 - Connection

Mastervolt MASS 12/60-2
28 pages
Print Icon
To Next Page IconTo Next Page
To Next Page IconTo Next Page
To Previous Page IconTo Previous Page
To Previous Page IconTo Previous Page
Loading...
INSTALLATION
EN / Mass Charger 12/60-2; 12/80-2; 24/50-2; 24/75; 24/100; 3-24/100; 48/25; 48/50 / July 2010 13
4.14 CONNECTION
WARNING
Let installation work be done by a licensed
electrician. Before beginning with the
connection of the wiring, make the AC
distribution as well as the DC distribution
voltage free.
CAUTION!
Short circuiting or reversing polarity may lead to
serious damage to the batteries, the Mass
Charger, the cabling and/or the terminal
connections. Fuses between the batteries and
the Mass Charger can not prevent damage
caused by reversed polarity. The damage as a
result of reverse polarity is detectable by the
service department and is not covered by the
warranty.
CAUTION!
Too-thin cables and/or loose connections can
cause dangerous overheating of the cables
and/or terminals. Therefore tighten all
connections well, in order to limit transition
resistance as far as possible. Use cables of the
correct size.
NOTE:
If the battery temperature remains within 15-
25°C, connection of the battery temperature
sensor is optional.
NOTE:
The Mass Charger is feasible for the connection
of MasterBus and RS 232 compatible remote
control panels.
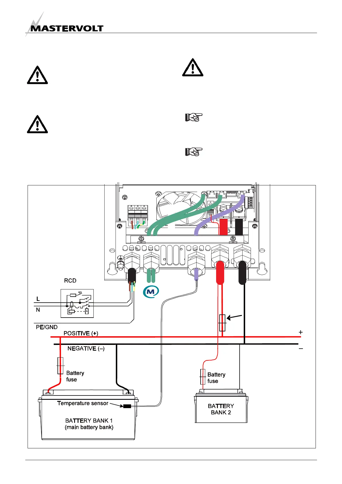
Fi
g
ure 8:
I
nstallation drawin
g
of the Mass Char
g
er
This schematic is to
illustrate the general
placement of the Mass
Charger in a circuit. It is
not meant to provide
detailed wiring
instructions for any
particular electrical
installation.
Charger fuse

Table of Contents

Related product manuals