EasyManua.ls Logo

Mastervolt Whisper 8 - Electrical Diagram 120-240 V AC; 60 Hz

Mastervolt Whisper 8
40 pages
Print Icon
To Next Page IconTo Next Page
To Next Page IconTo Next Page
To Previous Page IconTo Previous Page
To Previous Page IconTo Previous Page
Loading...
INFORMATION
16 July 2009 / WHISPER 6/8/11 / US / Copyright © 2009 Mastervolt
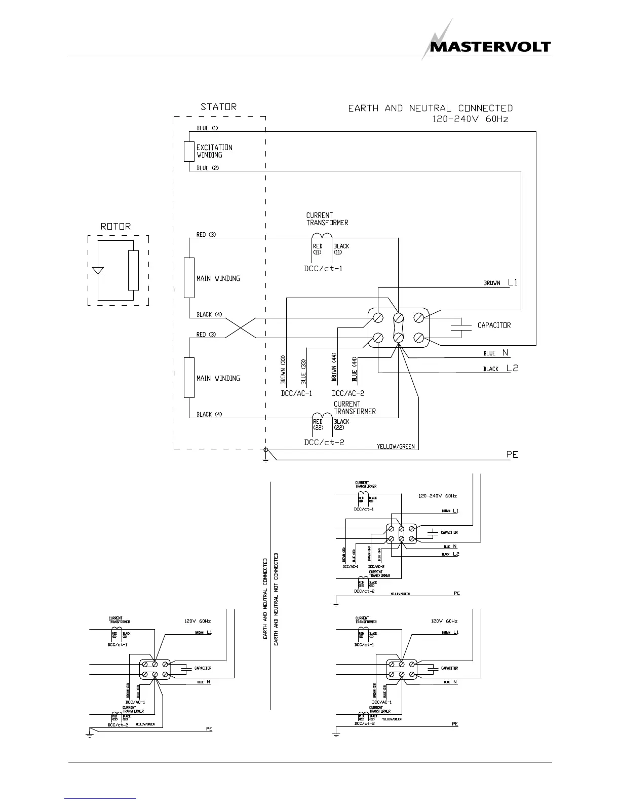
2.5.16 Electrical diagram 120-240 V AC / 60 Hz
Fig. 11: Electrical diagram 120 - 240V

Table of Contents

Other manuals for Mastervolt Whisper 8

Related product manuals