EasyManua.ls Logo

Matco Tools MM200 LCD - Electrical Schematic Drawing

Matco Tools MM200 LCD
28 pages
Print Icon
To Previous Page IconTo Previous Page
To Previous Page IconTo Previous Page
Loading...
MAINTENANCE AND TROUBLESHOOTING
- -
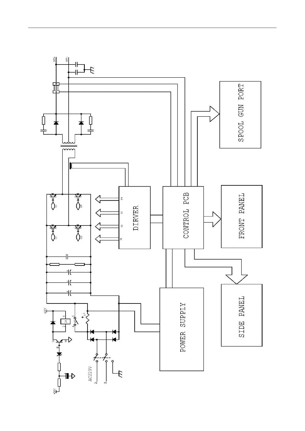
5.5 Electrical schematic drawing

Related product manuals